Напряжение +12 В не оказывает влияния на формирование напряжения на эмиттерном электроде, так как стабилитрон D1 выбирается с напряжением стабилизации 14–16 В. Если во вторичной цепи происходит КЗ по одному из каналов с отрицательным номиналом, то напряжение на эмиттере будет повышаться и приблизится к уровню общего провода. Если КЗ произойдет в канале -5 В, то на катоде диода D2 напряжение составит -0,7… -0,8 В. При этом на эмиттере Q1 потенциал будет иметь уровень примерно -0,2…-0,4 В, что недостаточно для перевода транзистора в активный режим.
Короткое замыкание напряжения -12 В вызовет блокировку диодом D2 подачи напряжения -5 В в эмиттерную цепь транзистора Q1, так как диод находится под воздействием потенциала, вызывающего обратное смещение p-n-перехода. В обоих случаях замыкания транзистор Q1 будет закрываться, это вызовет и рост напряжения на его коллекторе. Увеличение напряжения передастся на вывод IC 1/4, к которому подключен резистор R16. Значение сопротивления R16 в несколько раз превышает номинал R6, поэтому основное падение напряжения будет именно на R16, то есть на выводе IC 1/4. Если напряжение на этом выводе превысит уровень +3 В, то произойдет блокировка цифрового тракта микросхемы IC1 и генерация импульсов на выводах IC 1/8,11 прекратится.
Вторичные обмотки силового импульсного трансформатора выполняются проводами с различным сечением.
Сечение провода обмоток маломощных каналов меньше, чем сечение основных каналов. Внутреннее сопротивление источника напряжения, который образует вторичная обмотка, у маломощных каналов более высокое. Значительное увеличение потребления тока по этим каналам вызовет заметное падение напряжения на нагрузке, поэтому схема защиты может среагировать на резкое изменение выходного уровня до появления чистого КЗ и отключит блок питания.
Активное групповое слежение за состоянием вторичных напряжений в источнике питания производится сравнением выходного напряжения канала +5 В с уровнем опорного напряжения, формируемого внутренним узлом микросхемы IC 1. Если во вторичных цепях возникает большой разбаланс нагрузки, то напряжение в канале +12 В может сильно отличаться от номинальной величины.
В качестве защитной меры от повышения напряжения в этой цепи к эмиттеру Q1 подключен датчик напряжения канала +12 В на стабилитроне D1. Когда значение выходного напряжения в этом канале превышает напряжение стабилизации стабилитрона D1, происходит пробой последнего, и отрицательное напряжение на эмиттере Q1 начинает компенсироваться положительным потенциалом, поступающим через D1. Снижение отрицательного напряжения в этой точке приведет к запиранию транзистора Q1 и возрастанию положительного уровня на R16. Дальнейшее воздействие на IC 1/4 остановит ШИМ-преобразователь.
В начальный момент подачи электропитания на микросхему IC1 на всех вторичных каналах напряжения отсутствуют. Поэтому транзистор Q1 не может находиться в активном состоянии и принимать участие в запуске схемы преобразователя. В это время на IC 1/14 появляется опорное напряжение, которое через делитель из R6 и R16 поступит на IC 1/4 и блокирует работу микросхемы.
Для обеспечения нормального запуска IC1 применяется ключевой каскад на Q2, который начинает работать сразу после появления напряжения питания на выводе IC 1/12. В базовую цепь Q2 включены резисторы R4 и R5. Резистор R4 через конденсатор С5 соединен с цепью питания микросхемы IC1/12.
Когда происходит формирование начального импульса питания ШИМ-преобразователя, положительное напряжение через разряженный конденсатор С5 поступает на резистор R4 и через него попадает на базу транзистора Q2. Возникшим импульсом транзистор открывается, и напряжение на коллекторе Q2 резко понижается до нулевого уровня.
По мере заряда конденсатора С5 на его отрицательной обкладке происходит экспоненциальный спад положительного напряжения.
Снижение положительного напряжения вызывает постепенное закрывание транзистора Q2. Постоянная времени разряда конденсатора определяется номиналами элементов С5 и R4 и параллельного соединения открытого перехода база-эмиттер транзистора Q2 и резистора R5. Параметры пассивных элементов должны выбираться таким образом, чтобы закрывание транзистора происходило после появления отрицательных напряжений вторичных каналов на резисторе R2 и диоде D2. Если это условие соблюдается, то после закрывания транзистора Q2 напряжение на аноде D4 не примет положительного значения и сбоя в работе источника питания не произойдет.
Диод D4 выполняет функции развязывающего элемента, отделяющего элементы схемы "медленного" запуска от узла защиты и схемы на Q2.
Присутствие этого диода является необходимым условием плавного запуска ШИМ-преобразователя, так как его наличие исключает шунтирование положительного потенциала на отрицательной обкладке конденсатора С6 открытым транзистором Q2.
После завершения процедуры "медленного" запуска, если нагрузочные цепи в порядке, управление напряжением на выводе IC 1/4 сначала переходит к транзистору Q2, а затем к Q1.
Основное назначение схем защиты источника питания - исключение повреждений компонентов самого преобразователя при возникновении во вторичной цепи неконтролируемого увеличения нагрузки выше уровня, оговоренного условиями технической эксплуатации. Существует различный подход как к организации защиты, так и к применению электронных элементов.
В схемотехнике узлов защиты производится разделение каскадов, отвечающих за контроль работы основных вторичных каналов и маломощных цепей. Во внутренней структуре микросхемы TL494 введено несколько функциональных узлов, через которые можно оказывать воздействие на основной тракт формирования ШИМ-последовательностей от принудительного ограничения длительности выходных импульсов до полной блокировки схемы.
В зависимости от организации схемы защиты влияние на работу основной схемы может быть оказано через один или несколько таких узлов. Каждая схема преобразователя содержит элементы защиты, но выполнены они по-разному. На приведенных ниже схемах защиты показаны разные варианты практической реализации данного узла.
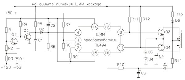
На рис. 1.6 представлен один из вариантов системы комплексной защиты импульсного преобразователя напряжения.

Рис. 1.6. Основные элементы узла электронной защиты
Нумерация элементов относится только к компонентам этого рисунка. На приведенной схеме показаны первичная цепь каскада промежуточного усилителя с согласующим трансформатором Т, упрощенная схема включения микросхемы TL494. Узел защиты представлен полнофункциональной схемой; он выполняет следующие основные функции:
• контроль длительности импульсов управления силовым каскадом;
• блокировка работы узла ШИМ-преобразователя в случае возникновения КЗ в каналах с отрицательными номиналами напряжений.
Оценка временного интервала, занимаемого положительным импульсом, проводится схемой постоянно. Слежение осуществляется с помощью элементов, подключенных к средней точке первичной обмотки согласующего трансформатора Т.
На среднем выводе первичной обмотки действует сигнал, форма которого представлена на рис. 1.7.