
Рис. 2.12. Вид на подстроечные резисторы реп/лировки режимов стабилизатора
2.5.1. Проверка устройства и подготовка к работе
Для предотвращения появления конденсата перед подключением стабилизатора следует выдержать время не менее 2 часов (такая мера оправдана, если транспортировка прибора проводилась при отрицательной температуре).
Установить стабилизатор напряжения на твердой горизонтальной поверхности в помещении, защищенном от строительной пыли, агрессивных газов и легковоспламеняющихся материалов.
Заземлить корпус стабилизатора.
Подключить в сеть 220 В соответствующую пару входных клемм на задней панели стабилизатора.
Установить автоматический выключатель в положение "включено" примерно на 10 секунд (вольтметр выходного напряжения должен показывать 220 В).
Установить автоматический выключатель в положение "выключено".
Подключить нагрузку к выходным клеммам, убедиться в надежности контактных соединений.
Установить автоматический выключатель в положение "включено", после этого загорится световой индикатор "нормальная работа".
2.5.2. Возможные неисправности
Возможные неисправности стабилизаторов напряжения, работающих в системе преобразования электроэнергии от нетрадиционных источников, приведены в табл. 2.3.
Таблица 2.3. Типичные неисправности стабилизаторов напряжения, работающих в системе преобразования электроэнергии от нетрадиционных источников

2.6. Соединение преобразователей и ИИП в параллельной электрической схеме
Особый разговор, заслуживающий внимания, об увеличении мощности уже имеющегося стабилизатора за счет параллельного подключения дополнительного стабилизатора.
Некоторые специалисты считают, что если купить стабилизатор, скажем, на 15кВт и если не будет хватать мощности или появятся еще потребители (новая техника), то еще один и включить параллельно (один в другой) - см. рис. 2.13.
Благодаря такому включению предполагается на выходе получить суммарную мощность двух и более стабилизаторов. Это не совсем правильно.

Рис. 2.13. Вид на два ИИП, включенных параллельно
Внимание, важно!
При последовательном соединении стабилизаторов мощность не будет суммироваться, на выходе получится мощность самого слабого стабилизатора в цепи. На конкретном примере: если мы подключаем параллельно стабилизаторы мощностью, к примеру, 5 кВт + 10 кВт +15 кВт, то на выходе мы получим 5 кВт по самому слабому стабилизатору в сети.
Необходимость в параллельном соединении источников питания (ИП) возникает обычно по одной из следующих причин:
1. резервирование ИП для увеличения надежности работы бытовой (в т. ч. радиоэлектронной) аппаратуры;
2. увеличение общей выходной мощности ИП.
Примеры для обоих случаев очевидны и известны из практики. Так, резервирование ИП применяют в военной технике, на конвейерных электролиниях, в железнодорожном и электротранспорте. В быту резервированием ИП можно назвать применение источников бесперебойного питания (ИБП) в устройствах охраны и сигнализации, а также в компьютерной технике. Увеличение выходной мощности путем параллельного подключения ИП оправдано для питания мощной нагрузки, например радиопередатчика (трансивера) с максимальным током потребления более 20 А.
В большинстве случаев параллельное соединение источников требует реализации функции распределения тока между ними.
Защита источников без распределения тока
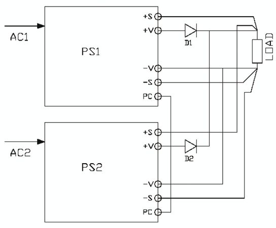
Такая защита часто необходима, когда требуется избежать нежелательной поломки электронных устройств вследствие отказа ИП. С этой целью соединяют два ИП параллельным способом, представленным на рис. 2.14.

Рис. 2.14. Способ параллельного соединения ИП
Допустим, ИП-2 настроен на более низкое выходное напряжение относительно ИП-1. Поэтому только первый источник питания PS1 поставляет ток в нагрузку, так как только его последовательный диод проводит ток.
Мощность на нагрузке создается только одним ИП, а не является удвоенной.
Напряжение нагрузки равно напряжению источника питания минус падение напряжения на диоде (Un - U VD1). ИП-2 при этом
находится в режиме ожидания под более низким напряжением и в случае прекращения работы ИП-1 вместо него поставляет ток в нагрузку.
При такой схеме соединения источников напряжение на нагрузке снижается при росте тока нагрузки (LOAD REGULATION), а падение напряжения на проводящем диоде растет по мере повышения тока ("естественное распределение тока").
Главным недостатком данной схемы является нестабильность напряжения на нагрузке.
При изменении тока нагрузки (LOAD REGULATION) падение напряжения на диоде колеблется от О В без нагрузки до 0,6 В под нагрузкой. Это падение напряжения уменьшает напряжение на нагрузке в зависимости от выходного тока. Поэтому эта конфигурация не используется при напряжениях ниже 12 В, когда падение напряжения на диоде составляет значительную долю от напряжения на выходе.
В этой схеме из-за отличия напряжений источников нет возможности применять корректирующие линии SENSE, так как ИП, настроенный на более низкое напряжение и находящийся в режиме ожидания, обнаружив в своих линиях SENSE повышенное по отношению к своей настройке напряжение, сразу прекратит процесс преобразования.
Защита источников с распределением тока
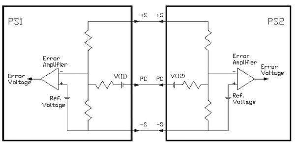
Для того чтобы при защите иметь стабильное напряжение на нагрузке, необходимо ввести "активное распределение тока" между ИП. При параллельном соединении источников добавляется специальная линия распределения тока, которая соединяет между собой соответствующие терминалы источников питания. Такое соединение выполняется по схеме на рис. 2.15.
В этой схеме линии SENSE обоих источников подсоединены к нагрузке и между источниками питания включена линия распределения тока (PC). Каждый из источников питания отдает нагрузке половину своей мощности.
Источники должны быть настроены по напряжению как можно ближе друг к другу, а сопротивления соединительных проводов от каждого из источников к нагрузке должны быть равны друг другу.
Эта конфигурация позволяет соединять в параллель более ИП (N + 1), когда дополнительно включается еще один резервный ИП, который в случае неисправности одного из источников начинает работать вместо отказавшего источника.

Рис. 2.15. Схема с линией распределения тока
Принцип работы устройства с активным распределением тока
ИП на выходе контролирует напряжение путем сравнения напряжения, измеряемого на линиях SENSE, с внутренним эталонным напряжением. Для того чтобы источник мог эффективно делить ток с другим источником, он должен непрерывно получать информацию о своём токе и о токе другого источника. Эту информацию источник обрабатывает и использует во время контроля и регулирования выходного напряжения. При этом, если ток источника слишком велик, его выходное напряжение начнет снижаться, и наоборот. Фактически поступает информация о разности токов двух источников, в случае положительной разности токов следует понизить напряжение источника, в случае отрицательной разности - повысить это напряжение. В это же время соседний источник питания получает информацию, обратную по знаку, и выполняет обратные действия. Так осуществляется балансировка токов источников.
При параллельном соединении более чем двух ИП число переменных, участвующих в процессе распределения тока между ними, велико (каждый источник нуждается в информации о своём токе и токе всех остальных).
Поскольку каждый из источников осуществляет контроль и регулирование выходного напряжения и тока на основании всех переменных, то появляется опасность, что такой сложный контур регулирования может потерять стабильность, поэтому количество источников, включаемых параллельно по такой схеме соединения, ограничено.