
Рис. 2.7. Схема подключения питающего напряжения
Условия работы основных каскадов по напряжению первичного питания сохранены и выполняются. Общая мощность потребления переменного тока источником питания от сети при изменении напряжения сохраняет свое значение.
Но при питании от напряжения 115 В ток потребления возрастает примерно в 2 раза (по сравнению с аналогичными условиями работы при питании источника от напряжения 220 В).
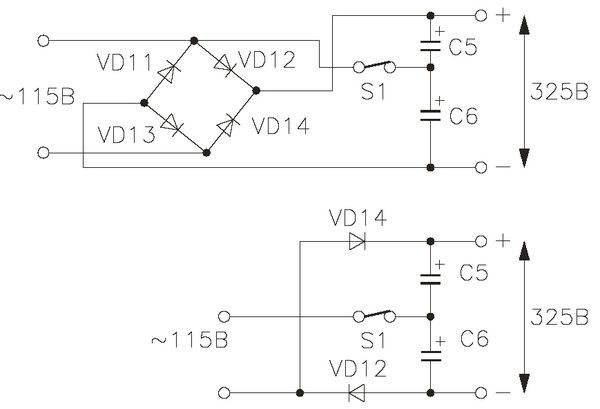
К установке переключателя селектора входного напряжения следует относиться осторожно. Если селектор напряжения будет установлен в положение 115 В и в таком состоянии источник питания будет подключен к питающей сети на 220 В, то сработает схема удвоения напряжения. Напряжение на положительной обкладке конденсатора С5 будет стремиться к значению 220 В х 1,41 х 2 = 620 В.
Уровни рабочих напряжений большинства элементов не рассчитаны на такой режим электропитания. Поэтому произойдет пробой силовых транзисторов усилителя мощности, диодов выпрямительного моста, сгорит предохранитель и могут выйти из строя конденсаторы сетевого фильтра С5 и С6, предельное напряжение которых обычно не превышает более 200 В; предохранитель не сможет защитить активные элементы схемы до их пробоя.
Менее критичным является включение источника питания в сеть 115 В с переключателем, установленным в положение 220 В. В этом случае значение входного напряжения будет ниже минимального значения, определенного в основных технических характеристиках в 180 В.
Условия работы схемы не будут выполнены, и преобразователь не запустится.
Плавкий предохранитель F1 перегорает, когда через пробитые транзисторы начинает протекать значительно увеличенный ток. Сгоревший предохранитель не позволит развиваться процессу повреждения источника питания.
Контроль уровня входного напряжения выполняется с помощью 2 варисторов Z1 и Z2 (на некоторых схемах и платах обозначены как ZU), установленных во входной цепи источника питания.
Внимание, важно!
Варисторы - нелинейные элементы, сопротивление которых зависит от приложенного к ним напряжения. Если напряжение на варисторе не превышает определенного значения, то его сопротивление остается высоким и практически не изменяется. В случае повышения напряжения его сопротивление резко снижается. Эта способность варисторов используется и для создания узла защиты от повышения входного питающего напряжения.
Наиболее распространенный тип варисторов, применяемых в источниках питания, - 07D241.
Первый варистор Z1 постоянно подключен параллельно входным клеммам источника питания. Он рассчитан на срабатывание при напряжении, превышающем значение 260 В, когда его сопротивление снижается настолько, что увеличенный ток выжигает предохранитель F1.
Варистор Z2 установлен между средней точкой конденсаторов С5 и С6 сетевого фильтра и корпусом источника питания. Этот элемент выполняет защитные функции при попадании потенциала на корпус прибора.
Напряжение на Z2 в нормальных рабочих условиях не превышает 170 В или, если быть точным, 155 В при первичном питании от 220 В и 162 В при питании от 115 В. Попадание фазного напряжения на корпус вызовет увеличение напряжения на Z2, его сопротивление уменьшится, и предохранитель F1 сгорит.
Принцип работы
Общий принцип функционирования источника питания заключается в следующем.
После подачи на вход источника переменного напряжения питания, выпрямления его диодным мостом на диодах D11-D14 и фильтрации на сглаживающем фильтре, образованном дросселем Т и конденсаторами С5, С6, постоянное напряжение с номинальным значением 310 В поступает на каскад усилителя мощности, основными активными элементами которого являются транзисторы Q9, Q10, и на каскад однотактного высокочастотного преобразователя; последний выполнен на транзисторе Q3.
Если выпрямленное питающее напряжение превышает 180 В х 1,41 = 254 В (уровень нижней границы питающего напряжения), происходит самовозбуждение преобразователя на Q3.
В состав каскада этого автогенератора входит трансформатор Тб, ко вторичной обмотке которого подключены выпрямители на диодах D8 и D9, с выхода которых снимается напряжение для питания ШИМ-формирователя и стабилизатора канала питания схемы компьютера в дежурном режиме (+5 VSB).
Один вывод вторичной обмотки трансформатора Тб подсоединен к общему проводу вторичного питания. Выпрямители ШИМ-канала и стабилизатора напряжения питания в дежурном режиме подключены к двум включенным последовательно полуобмоткам трансформатора Тб.
Выпрямитель ШИМ-формирователя образован диодом D9. Фильтрация напряжения с выхода выпрямителя осуществляется конденсатором С24. Выпрямитель и фильтр канала дежурного режима (+5 VSB) образован диодом D8 и конденсатором С14 соответственно.
При поступлении питания ШИМ-преобразователь запускается и начинает формировать импульсные сигналы для возбуждения усилителя мощности.
Усилитель мощности выполнен на транзисторах Q9 и Q10 по полумостовой схеме.
Для нормальной работы усилителя мощности необходимо, чтобы транзисторы открывались по очереди и в разные промежутки времени.
Включение транзисторов в полумостовой схеме требует, чтобы была исключена возможность их одновременного открывания и протекания сквозного тока, так как это выведет их из строя.
Обеспечение корректной работы транзисторов силового каскада выполняется логикой формирования управляющих последовательностей ШИМ-регулятора.
С вторичных обмоток трансформатора ТЗ импульсные напряжения поступают во вторичные цепи, где происходят их выпрямление и фильтрация. Полученные напряжения затем стабилизируются и используются для питания.
К каналам вторичных напряжений подключены датчики, выполняющие функции измерительных цепей по выявлению короткого замыкания в нагрузке, неконтролируемого повышения напряжений по каналам и контролю текущего уровня основных вторичных напряжений. Сигналы этих датчиков воздействуют на ШИМ-преобразователь, определяя род его работы в каждый момент времени.
Устройство всех основных узлов импульсного источника: автогенераторный вспомогательный источник на транзисторе Q3, ШИМ-регулятор и относящиеся к нему цепи, усилитель мощности, каналы вторичных напряжений, цепи защиты источника питания.
Набор этих узлов является типовым для блоков питания АТХ формфактора. Их построение у разных фирм-производителей может отличаться в деталях, но основные принципы остаются неизменными. Ниже приводится информация, которая может служить практической базой для изучения и работы с аналогичными ИИП.
Большой плюс ИИП в том, что он стабильно работает при изменении сетевого напряжения в широких пределах. От такого источника питания мощностью от 400 Вт и выше можно получить полезный ток нагрузки 15–17 А и выше, а в импульсном (кратковременном режиме повышенной нагрузки) - до 30 А. Такие ИИП выполнены на микросхемах 2003, AT2005Z, SG6105, КА3511, LPG-899, DR-B2002, IW1688; содержат меньшее количество дискретных элементов на плате, имеют меньшую стоимость, чем построенные на основе популярного ШИМ микросхемы TL494.
2.4. Методы стабилизации напряжения в ИИП
Одним из основных преимуществ ИИП является возможность преобразования первичной электрической энергии с более высоким КПД, по сравнению с обычными трансформаторными источниками питания. Чаще всего это достигается за счет стабилизации выходного напряжения воздействием на процесс функционирования силового усилительного каскада преобразователя напряжения. Только в многоканальных ИБП с различными нагрузочными возможностями каналов при необходимости применяются дополнительные линейные или импульсные стабилизаторы вторичного напряжения.
Для стабилизации величины выходного напряжения в ИИП, задействованных в системе преобразования от нетрадиционных источников питания, используются методы регулирования количества энергии, поступающей во вторичную цепь. Основными среди них являются: ШИМ (широтно-импульсная модуляция), ЧИМ (частотно-импульсная модуляция) и РСН (релейная стабилизация напряжения).
Эти методы отличаются способами воздействия на силовой (усилительный) каскад высокочастотного преобразователя, активные элементы которого работают в ключевом режиме. Как правило, система управления выполняется на маломощных компонентах, представляющих собой комбинацию аналоговых и цифровых элементов.
Согласно рис. 2.2, узел регулирования состоит из:
• измерительной цепи, определяющей отклонение напряжения нагрузки от номинального значения;
• схемы управления - формирователя конечной формы ВЧ-сиг-нала, непосредственно воздействующего на силовые элементы преобразователя. В состав этого узла включены элементы, которые согласуют уровни сигналов и нагрузочную способность каскадов;
• задающего генератора - маломощная схема формирования колебаний с базовыми характеристиками, которые подвергаются изменениям в схеме управления.
Принцип действия ШИМ-стабилизации заключается в изменении длительности импульсов, усиливаемых силовым каскадом, без коррекции собственно частоты колебаний и их амплитуды. Длительность импульсов, формируемых схемой управления, должна быть обратно пропорциональна величине напряжения на нагрузке.
В отличие от предыдущего способа, ШИМ-стабилизация характеризуется модификацией частоты управляющего сигнала при постоянной длительности импульсов.