
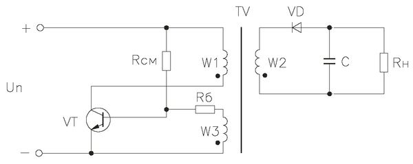
Рис. 2.3. Электрическая схема силового каскада
Каскад выполнен на транзисторе по схеме релаксационного импульсного генератора. Схема содержит один трансформатор TV, на котором размещены все обмотки. Входное напряжение питания U поступает на коллектор транзистора VT через первичную обмотку W1 трансформатора TV. Сигнал обратной связи подается на базу транзистора VT с обмотки W3. Начало каждой обмотки обозначено точкой. Ко вторичной обмотке W2 последовательно подключены выпрямительный диод VD, конденсатор С и условная нагрузка RH.
Важной особенностью выполнения однотактных преобразователей является способ подключения выпрямительного диода во вторичной цепи. Способ подключения диода, согласно рис. 2.3, называется обратным, так как диод VD открывается при закрытом транзисторе VT и закрывается при открывании транзистора VT.
Работа всех ИБП основана на том же принципе преобразования энергии, а схемотехнические решения различаются способами подключения ВЧ-трансформаторов к активной части преобразователей и методами стабилизации выходного напряжения.
В книге рассмотрены преобразователи напряжения первичной сети 220 В, 50 Гц с номинальной мощностью до 1100 Вт, поэтому особое внимание при описании ВЧ-преобразователей уделено применению высоковольтных активных компонентов - транзисторов и диодов, - элементов для фильтрации выпрямленного напряжения, а также критериям их подбора для использования в импульсных источниках питания.
В современных ИБП применяются два основных типа ВЧ-преобразователей - одно- и двухтактные.
Оба типа используются как в схемах с автогенератором на силовых элементах (транзисторах), так и в схемах с внешним управлением. Во втором случае силовые активные элементы работают в режиме усилителей мощности.
Другим фактором, оказывающим большое влияние на работу преобразователя, являются инерционные свойства диодов, установленных в выпрямителе вторичной цепи. О вторичных цепях и их схемотехнике применительно к ИИП мы говорили в нескольких разделах первой главы.
Эти свойства характеризуются временем рассасывания избыточных носителей заряда и временем восстановления обратного сопротивления. У диодов, используемых в выпрямителях импульсных преобразователей, значения этих параметров должны иметь минимальную величину (порядка нескольких наносекунд).
Такими параметрами могут обладать высокочастотные или импульсные безынерционные диоды. В рабочем режиме диоды выпрямителя находятся в открытом состоянии попеременно. В момент переключения оба диода на некоторое время * ПРОПУСК текста*.
Величина емкости конденсатора сглаживающего фильтра обратно пропорциональна длительности фронта импульса t.
Следовательно, уменьшая эту величину при заданном уровне пульсаций, получим возможность применять конденсаторы меньшей емкости, снизить массу и габариты источника питания.
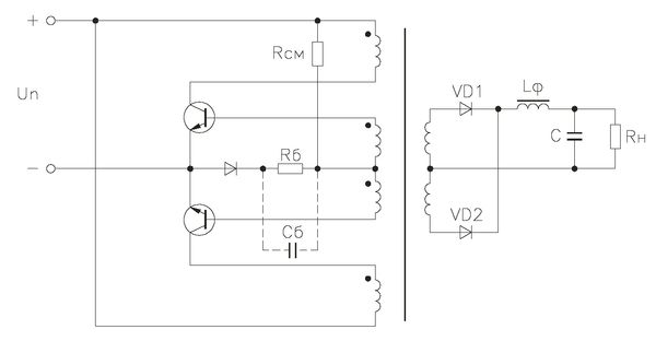
Одним из способов повышения эффективности этого параметра является применение в схеме автогенератора с насыщающимся трансформатором единого базового резистора Rfc.
Вариант схемы автогенератора с таким резистором представлен на рис. 2.4.
2.2. Типовые схемы усилителей мощности в ИИП
Основные положения по структуре каскадов, схемам включения силовых активных и индуктивных элементов справедливы и для частных случаев их использования в качестве усилителей мощности, то есть основных узлов для преобразователей напряжения с внешним управлением.

Рис. 2.4. Вариант схемы автогенератора
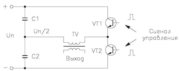
В заключение рассмотрим схему полумостового усилителя, широко применяющегося в импульсных источниках питания мощностью до 800 Вт.
Упрощенная схема полумостового усилителя мощности представлена на рис. 2.5.

Рис. 2.5. Упрощенная схема полумостового усилителя мощности
На рис. 2.6 представлены два силовых транзистора VT1 иУТ2 и два конденсатора С1 и С2, образующих мостовую схему. Собственно, такую схему принято называть транзисторной.
В диагональ моста, между точкой соединения конденсаторов С1, С 2 и точкой соединения эмиттера VT1 и коллектора VT2, подключается первичная обмотка трансформатора TV. Действие схемы основано на поочередном открывании транзисторов VT1 и VT2, которые работают в ключевом режиме. Вывод первичной обмотки трансформатора TV, соединенный с транзисторами, попеременно подключается то к положительному полюсу первичного источника питания (VT1 открыт, VT2 закрыт), то к отрицательному полюсу (VT2 открыт, VT1 закрыт). В первом случае ток протекает через транзистор VT1 - обмотку трансформатора TV - конденсатор С2.
Во втором случае - через конденсатор С1 - обмотку трансформатора TV - транзистор VT2.
Таким образом, в каждом цикле работы преобразователя через первичную обмотку трансформатора TV протекает ток - как в прямом, так и обратном направлениях.
При одинаковых временных интервалах открывания каждого из транзисторов и равенстве емкостей конденсаторов С1 и С2 в точке их соединения устанавливается напряжение, равное половине напряжения питания.
Переменное напряжение на первичной обмотке TV представляет собой импульсы прямоугольной формы.
Таким образом, амплитудное значение импульсного тока, протекающего через транзисторы VT1 и VT2, сопоставимо с аналогичным параметром для однотактного преобразователя.
Последовательность открывания транзисторов устанавливается внешней схемой управления, примером которой служит ШИМ-регулятор.
Электрическая схема, показанная на рис. 2.5, предполагает питание постоянным или выпрямленным и отфильтрованным напряжением.
В качестве конденсаторов для С1 и С2 необходимо применять лакопленочные или бумажные конденсаторы, рассчитанные на применение в диапазоне частот работы высокочастотного преобразователя, при значительном напряжении пульсаций на них.
Симметрирование работы силовых транзисторов благоприятно отражается на их тепловом режиме. Максимальное напряжение коллектор-эмиттер каждого из транзисторов в схеме полумостового усилителя равно напряжению питания.
Представленная в настоящем разделе схема имеет ряд неоспоримых достоинств.
Основным считается способ включения трансформатора TV в силовую цепь, при котором исключается насыщение его сердечника вследствие разбросов по длительности и амплитуде воздействующих на него импульсов разной полярности.
Используя схему внешнего управления, можно исключить протекание сквозных токов через транзисторы. Активные элементы, применяемые в полумостовом усилителе, могут иметь низкие предельные параметры.
2.3. Схемотехника ИИП с несколькими выходными напряжениями для разной токовой нагрузки
Современные источники питания, применяемые в широком спектре пользовательских задач, имеют функцию дистанционного включения, независимый канал питания элементов дежурного режима с номиналом +5 В. Однако многофункциональные ИИП, к которым можно отнести блоки питания персональных компьютеров различного форм-фактора и назначения, имеют и несколько дополнительных каналов, обеспечивающих выходные напряжения положительной и даже отрицательной полярности.
Номинальные значения каналов вторичных напряжений и их основные параметры приведены в табл. 2.1.
Таблица 2.1. Основные параметры вторичных каналов ИИП