
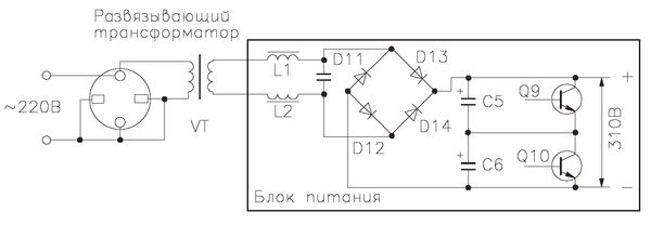
Рис. 1.17. Схема подключения ИИП для проверки через "развязывающий" трансформатор
Напряжение вторичной обмотки трансформатора должно укладываться в допуск на входное напряжение ИИП. При соблюдении этого условия вторичные напряжения будут иметь номинальные уровни напряжений, все пороговые устройства системы защиты будут корректно работать.
Измерения с помощью осциллографа можно производить относительно любой точки схемы.
Внимание, важно!
Несмотря на наличие развязывающего трансформатора, все работы следует выполнять, соблюдая общепринятые меры предосторожности.
Будьте предельно внимательны, так как действующие напряжения первичной цепи преобразователя имеют уровни, превышающие 310 В. Когда источник находится под напряжением питания, категорически запрещается трогать руками элементы первичной сети.
Кроме того, проведение ремонтных работ любого электронного устройства в большинстве случаев имеет комплексный характер. Поиск неисправности, ее локализация и устранение проводятся с помощью контрольно-диагностических измерительных приборов.
После любого вида ремонтно-восстановительных работ необходимо проводить тщательную предварительную проверку функционирования узлов блока питания по методике, приведенной в предыдущем разделе.
В некоторых случаях постепенная проверка каскадов позволяет обнаружить дефекты, не выявленные ранее, и проконтролировать правильность проведенных замен элементов. Все операции по измерению электрических режимов работы элементов силового каскада следует проводить согласно рис. 1.17 при подключении источника питания к сети через трансформатор развязки.
При проведении диагностики основных полупроводниковых приборов необходимо проверять и пассивные элементы, задающие электрические режимы функционирования активных компонентов.
Нередко дефект, вызванный отказом именно пассивных элементов, является причиной потери работоспособности узла на активных приборах. Перед принятием окончательного решения по поводу замены того или иного элемента убедитесь в нормальном состоянии печатных проводников платы и пассивных элементов (проведя их визуальный внешний осмотр).
В качестве рекомендаций по проведению ремонтных работ особо отмечаю необходимость всестороннего анализа причин, которые могли привести к появлению дефекта или отказу работоспособности.
При выявлении причины нужно восстановить логику действий, вызвавших тот или иной отказ, на основании которых легче спрогнозировать возможные неисправности элементов и локализовать их. Если возникает необходимость замены элементов, ее следует проводить с использованием оригинальных компонентов или самых близких функциональных аналогов.
При этом подборе элементов в первую очередь учитываются параметры, наиболее критичные для функционирования в конкретных условиях.
К ним относятся тепловые режимы, максимальные величины тока или напряжения используемого прибора.
Локализовать неисправный узел можно по внешним признакам проявления дефекта и, соответственно, наметить план действий по выявлению возникшей неисправности.
Далее разберем несколько возможных (часто встречающихся) неисправностей ИИП.
1.3.4. Анализ и способы локализации часто встречающихся неисправностей ИИП
При включении блока питания сгорает предохранитель
Возможная причина: в каскаде усилителя мощности неисправны силовые транзисторы.
Алгоритм поиска неисправности:
1. При отключенном электропитании импульсного преобразователя тестером провести проверку целостности внутренней структуры силовых транзисторов Q5 и Q6. Дополнительно проверить отсутствие электрического контакта корпусов этих транзисторов с радиатором. Во время проверки транзисторов следует учитывать, что во внутренней структуре мощных полупроводниковых приборов могут быть включены дополнительные диоды между эмиттером и коллектором или между эмиттером и базой (что оказывает влияние на замер сопротивлений между переходами).
2. Если требуется замена транзисторов, то аналоги должны соответствовать оригинальным приборам по рабочим уровням напряжений, тока, а также по частотным характеристикам. Выход из строя силовых транзисторов может повлечь за собой отказ пассивных элементов, установленных в базовых цепях транзисторов Q5 и Q6. Перед проведением контрольных прогонов при подключенном напряжении питания эти элементы также должны быть предварительно проверены.
Возможная причина: выход из строя элементов, обеспечивающих режим "медленного" запуска источника питания.
Алгоритм поиска неисправности:
1. Убедиться в целостности печатных проводников, соединяющих элементы R16 и С6 с соответствующими выводами микросхемы IC1.
2. Обязательно проконтролировать соответствие обозначенных на элементах номиналов реальным параметрам, а также отсутствие повреждений на них.
3. Влияние указанных элементов на неисправность можно объяснить следующими обстоятельствами. При подключении источника питания к сети конденсаторы вторичных каналов разряжены и находятся в состоянии "КЗ". На начальном этапе запуска схемы преобразователя включается узел принудительного ограничения длительности импульсов управления. Работа узла основана на постепенном заряде конденсатора С6, включенного в дифференцирующую цепь последовательно с резистором R16. Принцип работы узла "медленного" запуска описан выше.
4. Если произошло нарушение соединения конденсатора С6 и резистора R16, то в начальный момент включения источника на выводе IC 1/4 спадающий положительный импульс появляться не будет. При отсутствии этого напряжения на IC 1/4 компаратор "мертвой зоны" DA1 не будет оказывать влияния на параметры последовательности импульсов. Длительность импульсов возбуждения усилителя мощности будет максимальна, так как источник питания работает практически на короткозамкнутую нагрузку.
Возможная причина: переключатель S1 установлен неправильно, вследствие чего уровень входного напряжения не соответствует номиналу.
Алгоритм поиска неисправности:
1. Если селектор входного напряжения S1 установлен в положение, соответствующее 115 В, то выпрямитель и сетевой фильтр сконфигурированы для работы по схеме удвоителя напряжения. Включение такого источника в сеть 220 В приведет к повышению постоянного напряжения на усилителе мощности до уровня, превышающего 600 В, и повреждению оксидных конденсаторов СЮ и СИ, транзисторов Q5 и Q6 и элементов в базовых цепях силовых транзисторов.
2. После замены неисправных элементов перед включением источника в реальную сеть питания проведите полный комплекс проверок функционирования усилителя мощности - в соответствии с методикой, изложенной выше.