
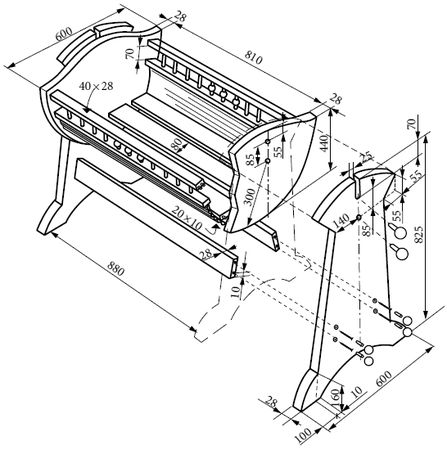
Рис. 30. Колыбель-качели
Для изготовления такой колыбели рекомендуется использовать сосновый столярный щит толщиной 28 мм. Заготовки для деталей можно сделать и самостоятельно, сплачивая доски. Однако удобнее использовать готовые столярные щиты.
Из доски толщиной 18 мм дисковой пилой вырезают царги и доски дна. Контуры деталей размечают на заготовках с помощью картонных шаблонов. Следует избегать попадания линии резания на сучки.
Основным рабочим инструментом при изготовлении колыбели является ручная фрезерная машинка. Особенно удобно вырезать с ее помощью фасонные контуры всех деталей. Для точного выбирания пазов, вырезания точных контуров и скруглений кромок потребуются различные фрезы и насадки.
При использовании фрезерной машинки следует учитывать некоторые правила.
– Основание машинки всегда должно плотно прилегать к заготовке.
– Для получения чистых кромок не следует устанавливать слишком большую глубину прохода. Лучше сделать несколько проходов, постепенно увеличивая глубину фрезерования.
– При фрезеровании не следует останавливать машинку на одном месте, иначе возможно образование прижогов. Как только фреза после установки машинки достигла заданной глубины, ее подают вперед. В конце прохода машинку подают чуть назад и вверх.
– Фрезерование по окружности начинают так, чтобы закончить проход по направлению древесных волокон.
– При обработке кромок фреза всегда должна перемещаться перпендикулярно древесным волокнам.
Начинают раскрой с обработки торцевого полукруга, используя для этого достаточно большой столярный щит. На стойках каркаса сначала вырезают фрезой полукруглые контуры, затем лобзиком делают прямые пропилы. При фрезеровании следует прочно закрепить заготовку, подложив под нее вспомогательную плиту-подкладку, чтобы не повредить верстак или рабочий стол. У спинок качалки сначала выбирают фрезой наружную дугу, чтобы внутренняя (верхний изгиб) не слишком укорачивала заготовку. Циркульный удлинитель для фрезера обеспечит необходимую точность обработки по разметке. Для чистовой обработки прямых кромок на фрезер устанавливают копировальную втулку, а в качестве направляющей используют полоску фанеры, ДСП или доску подходящей толщины.
В спинках колыбели сверлят сквозные отверстия ∅8 мм под шканты, два центральных отверстия переносят на наружные стойки каркаса. Между торцевыми спинками на шкантах и клею устанавливают доски дна.
Скругленные боковые стенки колыбели делают из планок полукруглого сечения, которые наклеивают на два отреза маркизета, а затем полученный элемент вставляют в пазы торцевых спинок, также выбранные с помощью фрезерной машинки. Паз шириной 10 мм под полукруглые рейки боковых стенок размечают по окружности из того же центра, что и контуры нижнего края.
В четырех брусках продольного ограждения колыбели с одинаковым интервалом сверлят глухие отверстия ∅14 мм под стержни решетки. Некоторые из стержней будут нести на себе шары ∅50 мм. Для того чтобы шары располагались посредине поручня, их насаживают на две половинки стержня каждый. Для высверливания в шарах глухих отверстий понадобится вспомогательная доска и сверлильный станок. В доске нужно сделать отверстие ∅45 мм. Перед сверлением шаров их укладывают в это отверстие и просверливают на треть диаметра. Затем шары насаживают на стержни, устанавливают вертикально (для этого в той же вспомогательной доске просверливают отверстие для стержня) и сверлят в них второе отверстие с противоположной стороны тоже на глубину, равную ⅓ диаметра. Таким образом, в шаре образуется перемычка толщиной в треть диаметра. Разумеется, на эту толщину надо уменьшить суммарную длину полустержней, на которые будет насажен шар.
Готовые детали покрывают акриловым лаком. Предварительно следует скруглить кромки и отшлифовать поверхности деталей. Акриловым лаком или краской покрывают также шары и стержни ограждения. Последние на время сушки вставляют в отверстия, просверленные во вспомогательном бруске.
Каркас колыбели собирают, скрепляя стойки и царги клеем и закрепляя шурупами. Шурупы утапливают в стойках каркаса примерно на 10 мм. Для этого в стойках по монтажным отверстиям должна быть выполнена цековка. Когда шурупы будут закручены, цековки заглушают короткими шкантами с шариками на концах.
Склеенную колыбель на время сушки клея стягивают длинными струбцинами. При отсутствии таковых можно использовать ленточные стяжки.
Стол для пеленания
Когда заходит речь о пеленальном столике, возникает вопрос: "А нужен ли он?" Многие используют для пеленания, например, родительскую кровать или письменный стол. К тому же пеленальный столик зачастую просто некуда ставить или негде хранить.
Однако в детской комнате обязательно должна быть устойчивая горизонтальная поверхность, на которую можно безопасно положить малыша. Немаловажным фактором является и высота пеленального места. Молодая мама, не имея удобного высокого пеленального столика, часто вынуждена ухаживать за малышом, согнувшись в неудобной позе, что не прибавляет ей удовольствия.
Самостоятельное изготовление пеленального места не потребует много времени и средств. Готовое изделие не займет много места и не будет загромождать пространство. Поскольку с появлением новорожденного специально для него приобретают как минимум два предмета мебели – кроватку и комод (большую тумбочку, стол), то именно они и могут стать базовыми для размещения пеленального места.
Вариант 1. Пеленальный стол на комоде
Стандартная доска для пеленания обычно имеет размеры 600 × 900 мм. Самодельный столик не должен быть меньше. Если основанием для него служит типовой комод шириной 900 мм и глубиной 400 мм, то размещаемый на нем столик будет немного выступать вперед. Это довольно удобно, так как комод не будет мешать подойти к столику вплотную. Нижнюю полку столика используют для хранения подгузников, белья и гигиенических средств, которые должны быть под рукой во время пеленания младенца (рис. 31, а).
Детали для пеленального столика выкраивают из плиты МДФ толщиной 15 мм.
Устроен столик очень просто. Столешница, нижняя полка и задний борт закреплены между боковинами. Поскольку полка на всю глубину столика не нужна и даже будет мешать (задвинув пачку подгузников к задней стенке, вам будет непросто дотянуться до них), глубину полки регулирует дополнительная доска-перегородка, расположенная примерно посредине столика. Точное место ее расположения можно подобрать самостоятельно. Кроме прочего, эта перегородка создает ребро жесткости для столешницы.
Для соединения деталей столика можно применять разные способы. Оптимальным является соединение на шкантах и клею. Но возможно, вам не захочется тратить время на точную разметку посадочных мест для этого весьма непростого соединения.

Рис. 31. Пеленальный столик:
а – устанавливаемый на комод; б – устанавливаемый над кроваткой; в – подвесной: 1 – столешница для пеленания; 2 – нижняя полка (опорная доска в варианте б); 3 – боковина; 4 – задний борт; 5 – перегородка (дополнительная доска в варианте б); 6 – боковые стенки полки; 7 – полочки; 8 – задняя стенка полки; 9 – бортики полки; 10 – крючок с ответной частью; 11 – рояльная петля; 12 – кронштейн
Поэтому можно применить металлические соединительные уголки, которые устанавливают внутри полки. Вместо уголков можно использовать две полосы 645 × × 120 мм из того же МДФ, которые крепятся к боковинам. Их верхние и нижние торцы образуют опорные поверхности для кромок столешницы и полки.
Наконец, можно просто промазать клеем стыки и склеить детали, зажав их в струбцинах, ваймах или ленточных стяжках, дополнительно усилив соединения шурупами, а лучше – конфирматами (их еще называют "еврошуруп", "евровинт", "шурупная стяжка").
Все стыки и неровности, а также острые кромки должны быть обработаны шлифмашиной. Готовое изделие окрашивают нетоксичной краской или покрывают лаком на водной основе. Используемая краска или лак должны быть абсолютно безвредны для ребенка.
Собранную конструкцию устанавливают на комод и с помощью пары металлических полосок и шурупов жестко крепят к его задней стенке. Проверяют горизонтальность основной полки и высоту пеленального места – она должна быть комфортной для занятий с малышом.
Таблица 13
Список материалов и деталей
