...
Для устройства системы "теплый пол" по деревянному перекрытию возможно применение стандартных способов устройства, однако необходим тщательный расчет нагрузки на перекрытие и фундамент, а также учет деформационных свойств древесины.
7. Систему можно включать сразу после укладки напольного покрытия.
Обмазочная гидроизоляция на основе битумных материалов
1. Поверхность очищают от мусора, пыли, грязи, жирных пятен, затем выравнивают и покрывают грунтовкой из двух слоев битумной мастики. Если гидроизоляцию производят по дереву, его предварительно обрабатывают антисептиком.
2. После полного высыхания слоя грунтовки поверхность покрывают гидроизолирующим окрасочным составом (битумно-резиновые, битумно-полимерные мастики, синтетические полимерные составы) с помощью кисти и валика. Если гидроизоляцию выполняют в "мокром" помещении, то дополнительно вместе с покрытием пола покрывают тем же составом 20 – 30 см стены снизу по всему периметру комнаты.
Штукатурная гидроизоляция
1. Основание под изоляцию очищают, выравнивают, грунтуют и просушивают.
2. На поверхность наносят слой цементно-песчаной стяжки с соотношением цемента и песка 1 : 2. Стяжка должна быть не слишком большой толщины, достаточно 2 – 3 см.
3. После высыхания стяжки на нее укладывают гидроизоляционный штукатурный состав в 3 – 4 слоя с небольшим интервалом (интервал зависит от выбранного состава, но не превышает обычно около 15 мин между окончанием нанесения предыдущего слоя и началом нанесения следующего). Состав наносят с помощью широкого шпателя и разравнивают полутерком, выверяя горизонтальность уровнем.
4. В течение 2-х недель производят уход за штукатурной гидроизоляцией: в первые сутки ее увлажняют из распылителя каждые 3 ч, затем примерно раз в неделю. Иногда требуется накрыть штукатурный слой на время высыхания (около 2-х дней) полиэтиленовой пленкой, но затем ее убирают.
Литая гидроизоляция по бетонному полу
1. Основание тщательно очищают, при необходимости выравнивают, покрывают грунтовкой и дают ей высохнуть (иногда просушивают горячим методом). Если в качестве гидроизоляции будет применена самовыравнивающая смесь, все равно следует выровнять бетонное основание, приведя его с помощью стяжки в горизонтальное положение. Слой гидроизоляции должен быть равномерным.
2. По периметру помещения устраивают защитное ограждение из гидроизоляционной пленки или самоклеющейся ленты шириной 30 – 40 см.
3. Наносят на поверхность несколько слоев наливного гидроизоляционного состава (общая толщина 5 – 15 см), выравнивая каждый слой после нанесения широким полутерком на длинной ручке (рис. 32). Наливать следующий слой начинают после высыхания предыдущего, однако это следует уточнить в инструкции к материалу. Состав может быть нанесен, в зависимости от его типа, горячим или холодным методом. В последнее время широко распространены полимерные жидкие составы, наносимые в холодном виде. Нижний слой гидроизоляции можно дополнительно армировать металлической, полимерной или стекловолоконной сеткой.

Рис. 32. Выравнивание нанесенного слоя литой гидроизоляции
4. Поверх слоя гидроизоляции устраивают цементно-песчаную стяжку, утапливая в нее армирующую сетку, или наливной пол.
5. Укладывают напольное покрытие.
Оклеечная гидроизоляция
1. Основание для укладки гидроизоляции должно быть чистым, сухим и ровным. Его в обязательном порядке покрывают слоем грунтовки.
2. На поверхности производят разметку будущего расположения листов гидроизоляции.
3. Наплавляемые материалы подплавляют с изнаночной стороны воздушным феном, пропановой горелкой или (при небольшой площади материала) паяльной лампой. Подплавление делают очень осторожно, стараясь не слишком сильно нагреть материал, чтобы он не воспламенился. После подплавления изнаночного слоя материал укладывают, прижимая к основанию. Не наплавляемые материалы укладывают по слою мастики. Листы укладывают внахлест на 10 – 15 см. При необходимости устраивают второй слой гидроизоляции, укладывая тем же способом, что и предыдущий, с обязательной перевязкой швов.
Проникающая гидроизоляция
1. Поверхность перекрытия тщательно очищают от пыли, грязи, мусора и остатков старого покрытия. Если основание очень неровное (перепад 1 : 100 или более), производят выравнивание с помощью цементно-песчаной стяжки.
2. Все трещины, стыки и примыкания плит расшивают перфоратором с образованием канавок сечением 2 × 2 см. Канавки очищают от бетонной пыли и грунтуют специальным гидроизоляционным составом для швов. После высыхания этого состава канавки заливают жидкой шовной гидроизоляцией.
3. Всю поверхность перекрытия увлажняют водой из распылителя, а затем наносят на нее с помощью кисти или валика слой проникающей гидроизоляции (расход материала обычно указан на упаковке). Когда первый слой начинает схватываться (не более 6 ч), таким же способом наносят второй слой, затем, при необходимости, – третий. Гидроизоляционным слоем покрывают также нижнюю (10 – 20 см) часть стены по всему периметру помещения.
Изоляция бетонного пола, расположенного на грунтовом основании
1. Грунт в основании должен быть тщательно выровнен в горизонтальной плоскости и утрамбован.
2. Непосредственно по грунту устраивают насыпную изоляцию в виде слоя щебня или керамзита толщиной около 10 – 20 см. Этот слой также уплотняют с помощью трамбовок. Можно уплотнить его, залив жидкой цементно-песчаной смесью. Материал насыпают слоями по 5 – 10 см, утрамбовывая каждый слой перед засыпкой следующего. Возможна замена щебня или керамзита гравием, в таком случае изоляционная "подушка" должна составить 30 см (рис. 33).
3. На слой щебня или керамзита насыпают, увлажняя и утрамбовывая, слой крупного песка толщиной 5 – 10 см.
4. По подготовленному основанию укладывают монолитную или сборную плиту пола с применением арматуры. До следующего этапа ждут полного высыхания бетона (до 2-х недель). Если пол на грунтовом основании уже имеется, а не возводится с нуля, следует после п. 1 сразу приступать к п. 5.

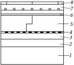
Рис. 33. Изоляция бетонного пола, расположенного на грунте: 1) уплотненный грунт; 2) щебеночная или керамзитовая подушка; 3) песчаная подушка; 4) слой гидроизоляции; 5) утеплитель; 6) пароизоляционная пленка; 7) цементно-песчаная стяжка с нагревательными элементами теплого пола; 8) напольное покрытие
5. По подготовленному бетонному основанию укладывают слой гидроизоляции любого типа в соответствии с выбранным методом.
6. На гидроизоляцию укладывают теплоизоляционный слой в соответствии с выбранным материалом и методом устройства. Слой теплоизоляции независимо от материала должен составлять не менее 10 см.
7. По слою утеплителя укладывают слой полиэтиленовой пленки и устраивают цементно-песчаную стяжку (или наливной пол, или стяжку из бетонной смеси с пластификаторами) не менее 5 см толщиной. В этом слое возможно устройство системы "теплый пол".
8. Монтируют напольное покрытие.
Особенности изоляции пола на балконе и лоджии
Если балкон имеет бетонный пол, то изоляцию можно производить по лагам шириной 5 см, уложенным на гидроизоляционную пленку и прикрепленным к основанию дюбелями. При деревянном поле лаги можно крепить саморезами. Крепежи располагают с шагом 30 – 40 см.
Выравнивание пола на балконе производят осторожно, предварительно рассчитав нагрузку на консольную конструкцию. Возможно выравнивание с небольшим скатом или выравнивание при установке лаг или укладке утеплителя. Если поверхность ровная, тем более можно обойтись без стяжки.
На лоджии и балконы категорически запрещен вынос батарей центрального отопления или монтаж теплого водяного пола. Если есть желание сделать теплый пол в этих помещениях, его выполняют из кабеля или инфракрасных пленок.
В остальном устройство изоляции пола на балконе и лоджии ничем не отличается от изоляции пола в других помещениях.
Изоляция крыши дома


Крыша – наиболее уязвимая для атмосферных осадков внешняя конструкция дома. Крайне важно предусмотреть надежную гидроизоляцию кровельного "пирога", чтобы защитить все конструкции дома, и качественную теплоизоляцию, чтобы создать в доме комфортные условия.