Всего за 99 руб. Купить полную версию
Зная водопроницаемость почвы и уклоны, можно рассчитать длину поливочных борозд для каждого участка. Поливная струя должна быть тем меньше, чем хуже водопроницаемость и больше уклон борозд.
Дождевание. При таком способе земля пропитывается более равномерно и уменьшаются затраты ручного труда. Дождевание совсем нетрудно осуществлять на участке с неровным рельефом.
Для дождевания можно использовать как переносные дождевальные установки, так и стационарные. Для работы таких установок на участке должна быть передвижная сеть трубопроводов с гидрантами. Воду в сеть для дождевания накачивают из естественного источника или же из водопровода электрическим насосом или тракторной установкой. Для устройства дождя садоводы-любители изготовляют и применяют насадки, распыливающие воду, как душ. Полив дождеванием осуществляется с помощью дождевальных насадок. Разбрызгивающее устройство закрепляется на треноге высотой 1–5 м и с помощью шланга подключается к водопроводу или к естественному источнику воды. При подаче воды насадки включаются в работу. Затем такую насадку после достаточного увлажнения почвы в данном месте переносят на другое место и т. д. В настоящее время промышленность выпускает различные виды насадок – металлические и пластмассовые.
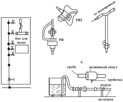
На рис. 7 показаны схемы разбрызгивателя воды типа РВ-1 и распылителя воды РВ. Для почвенного полива деревьев используют различные виды гидробуров. Но наиболее экономичен капельный полив. Дождевальный полив как наиболее красивый можно применять для полива лужаек и цветников.
Автоматический полив – наиболее удобный способ, позволяющий осуществлять полив по всей площади и в удобное для вас и растений время. Автоматический полив – это сложный инженерно-технический комплекс, обеспечивающий полив нужной территории по заданному графику. При помощи компьютера можно регулировать время полива, интенсивность и периодичность. Это значительно сэкономит время.

Рис. 7.Разбрызгиватели воды
В современных поливочных машинах происходит отключение полива при осадках, а система поливочных головок разработана таким образом, что при отключении полива они автоматически опускаются под землю и не мешают стрижке газона. Подземное расположение поливочной системы увеличивает срок службы форсунок, труб и фитингов по сравнению с надземным расположением разбрызгивателей, так как на них в меньшей степени воздействуют природные факторы. Встроенные водяные розетки
позволят использовать поливочные шланги для полива, мойки автомобиля и других целей. Оросительная система даже в экстремальных погодных условиях будет вам служить долго; выдержит самые тяжелые испытания, будь то игра в гольф, футбол, теннис. Срок службы системы полива составляет 15–20 и более лет. Для этого необходимо грамотное обслуживание системы и подготовка к зиме (прокачка труб сжатым воздухом – ее нужно провести до сильных морозов). Автоматические системы полива могут быть объединены в разные группы и по-разному запрограммированы в зависимости от того, какие растения поливаются, для каких почв нужен полив, в какой день и час их нужно поливать. Благодаря тому что система полностью автоматизирована, владелец имеет возможность сэкономить массу времени и средств.
Полуавтоматический полив. Полуавтоматические системы полива отличаются от автоматических только тем, что человек сам открывает и закрывает краны. Отсутствие автомата не снижает качества полива, но значительно удешевляют стоимость системы. Расположение поливочных головок не зависит от наличия или отсутствия автомата.
Системы с ручным управлениемимеют неполную разводку (подземную или наземную) – в определенных местах участка установлены разъемы для подключения шлангов. Для работы необходимо подключать шланги к этим разъемам, и поливать различные зоны участка с помощью ручных разбрызгивателей или переносных форсунок.
Включение и выключение таких систем полностью ручное.
Потребность растений в воде определяется в зависимости от их состояния и внешних условий.
Большинство цветочных культур растет при влажности почвы от 60 до 80 %. Чем меньше площадь питания, тем больше потребность растения в воде.
Как и недостаточное количество воды, так и ее переизбыток губительны для растений. При очень сильном поливе корневая система из-за недостатка кислорода слабеет, растение заболевает, а затем и погибает.
По потребности в воде растения делятся на четыре группы:
1) растения, которым необходимо очень большое количество воды – гидрофиты;
2) гигрофиты – растения тоже влаголюбивые, но растущие в условиях повышенной влажности;
3) мезофиты (средняя потребность во влаге);
4) ксерофиты – в основном обитатели пустынь, полупустынь, степей и растения, растущие на сухих почвах. Они потребляют очень мало влаги.
Но так устроена наша природа, что нет четкой границы между всеми этими видами. Поэтому полив как источник питания и жизни необходим всем растениям. На зимний период надо провести консервацию систем полива, осушение сети трубопроводов, подготовку к хранению систем управления поливом. Первый раз демонтаж систем полива надо провести под контролем специалиста.
Полив сада и огорода
Полив почвы – это увлажнение почвы с учетом ее физико-химических свойств. Чем ровнее увлажнение почвы, тем стабильнее урожай. К поливу каждого участка надо подходить сугубо индивидуально с учетом многих факторов. Среди них – класс растений, сорт, условия произрастания, густота посадки, урожайность, запасы влаги в почве. Правильно количество полива можно определить путем многократного наблюдения за влажностью верхнего активного слоя почвы, в котором размещена наибольшая часть корней плодовых и овощных культур. Для плодоносящей яблони такой активный слой находится на глубине 1 м, для вишни и сливы – 60–80 см, смородины и крыжовника – до 50–60 см, малины и земляники – до 40 см. Корни плодовых растений разрастаются в стороны чуть шире, чем их кроны, а ягодных кустарников – ширины куста.
При резких изменениях влажности почвы, особенно при снижении ее до нулевого уровня, плодовые деревья плохо растут, дают нерегулярные урожаи, теряют зимостойкость и долговечность.
При сокращении влажности почвы ниже чем на 70 % предельной полевой влагоемкости следует производить полив.
Предельная полевая влагоемкость – это самое большое содержание влаги в почве, которое удерживается в ней после полного затопления водой и свободного просачивания влаги в нижние слои.
Почему-то на поливку плодовых деревьев наши садоводы почти не обращают внимания, хотя это одно из условий хорошего роста и обильного плодоношения деревьев. И как следствие – более высокой выживаемости и сопротивляемости различным паразитам.
Большинство плодовых деревьев, произрастающих в наших садах, любит влагу. Особенно требовательна в этом отношении яблоня, за ней следуют слива и груша (черешня – самое засухоустойчивое дерево).
Молодые плодовые деревья, плохо укоренившиеся или со слабой корневой системой, гораздо более, чем взрослые деревья с сильно развитой корневой системой, чувствительны к недостатку влаги. Поэтому весенние посадки молодых деревьев особенно тщательно надо поливать, так как полив способствует оседанию почвы и вместе с тем содействует усиленной деятельности корней.
Осенние сорта плодовых деревьев нуждаются в более обильном поливе, чем плодовые деревья ранних сортов и косточковые. В жаркую и сухую погоду поливы производят с весны до середины лета (до 25 июля). В этот момент деревья интенсивно растут, цветут, завязываются плоды.
Молодые яблони поливают 2–3 раза в месяц для лучшего их укоренения, крыжовник – 2–3 раза (1 раз в первой декаде мая – начале июня, в последующем – через 20–25 дней при норме 40–50 л на 1 м), землянику поливают от 4 до 8 раз при норме 35–40 л воды на 1 м. Первый полив необходим в середине мая, последующие – через 15–20 дней.
К концу лета рост деревьев прекращается, и если продолжить поливы осенью (август, сентябрь), то можно спровоцировать вторичный рост побегов, и как следствие – подмерзание деревьев зимой.
Поливы следует возобновить в октябре (закалка растений): влажная почва меньше промерзает и у деревьев лучше идет подготовка к зиме.
На глинистых почвах поливают реже, на песчаных и супесчаных – чаще, суглинистая занимает среднее место между указанными. Чтобы поливка достигала своего назначения, необходимо давать в среднем молодым деревцам от двух до трех ведер воды, а взрослым в зависимости от величины кроны – от трех до десяти ведер воды. Следует избегать колодезной или ключевой воды; самая лучшая – речная вода. Немаловажное значение имеет температура воды: холодная простуживает корни и весьма вредна для всякого растения; если нет речной воды и приходится пользоваться колодезной или ключевой, то необходимо продержать ее не менее 3-х суток в кадках и только затем поливать ею растения. Наряду с поливкой необходимо рыхление почвы, по крайней мере в пределах, занимаемых кроной дерева, что тоже способствует просачиванию воды в глубокие слои почвы, а также задерживает испарение, предохраняет почву от излишней потери влаги. Но дозы полива в октябре уменьшают на 1/3. (норма полива составляет 1–2 ведра на 1 мприствольного круга).
В воду хорошо добавить растворимые минеральные удобрения, настой предварительно сбродившего птичьего помета.