Всего за 29 руб. Купить полную версию

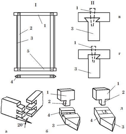
Рис. 11. Конструкция дверной коробки: I – дверная коробка: 1 – перемычка; 2 – откосы; 3 – трехгранные анкерные планки; 4 – верхняя часть; 5 – лежневая связь; II – составляющие: а – угловое шиповое соединение; б – заглубление откосов в лежневую часть; в – соединение "двойной ласточкин хвост"; г – одинарный "ласточкин хвост"; д – соединения "в шип", "в лапу" без заглубления откосов: 1 – откосы; 2 – шип; 3 – скоба; 4 – лежневая связь
Дверная коробка состоит из четырех брусьев, соединенных прямыми или косыми шипами. Вертикальные стойки дверной коробки называются откосами, горизонтальная верхняя часть – дверной перемычкой, а горизонтальная часть, находящаяся ниже плиты лежня, – опорным брусом.
Толщина брусков или досок, используемых для изготовления дверных коробок, составляет 50–60 мм, а их ширина выбирается в зависимости от толщины стены и назначения двери. Коробка для одинарной двери имеет ширину 100 мм, для двойной – 250–300 мм. Материал, предназначенный для изготовления дверной коробки, строгается, а затем в нем выбираются четверти для притвора. Глубина последней зависит от толщины дверного полотна, а ширина – от назначения двери и может составлять от 15 до 30 мм. Для соединения горизонтальных и вертикальных частей дверной коробки используются варианты "в шип", "в лапу", "ласточкин хвост" и др.
В зависимости от способа фиксации дверное полотно может быть щитовым или рамочным.
Щитовое дверное полотно
В данном случае (рис. 12) бруски обвязки соединяются открытым сквозным шипом или другим способом.

Рис. 12. Устройство щитового дверного полотна с брусками жесткости: а – с вертикальными и горизонтальными; б – с горизонтальными; в, г – с вертикальными
Для изготовления обвязки применяются недорогие сорта дерева. Главное, чтобы они обладали достаточной прочностью, так как именно это качество определяет физико-механические свойства готового изделия.
Щитовая дверь может быть сплошной, склеенной из деревянных брусков или представлять собой пустотелый щит толщиной 30–40 мм, на бруски обвязки которого наклеивается ДВП, фанера и др. Для улучшения звукопоглощающих характеристик внутренняя поверхность дверного полотна заполняется такими материалами, как картон и стружка. Причем это может быть выполнено сплошным или сотовым способом (рис. 13).

Рис. 13. Заполнение внутренней полости дверного полотна сотовым способом
В зависимости от ширины и высоты двери определяется размер сотового заполнителя для щитовых дверей.
Наиболее простые, практичные и в то же время недорогие двери изготавливаются в виде каркаса из сосны и имеют древесно-стружечный заполнитель. Для обшивки дверной обвязки применяется оргалит, который грунтуется и окрашивается. Что касается отделки внутренней и наружной сторон такой двери, это зависит от дизайна помещения.
Рамочное дверное полотно
В конструкцию такого полотна входят вертикальные и горизонтальные бруски, соединенные одинарным или двойным сквозным шипом (рис. 14).

Рис. 14. Конструкция рамочного дверного полотна: а – вязка верхнего угла; б – вязка средника; в – вязка нижнего узла: 1, 7 – паз; 2 – брусок верхней обвязки; 3, 6 – шипы; 4 – проушина; 5 – брусок боковой обвязки; 8 – гнездо; 9 – средник; 10 – брусок нижней обвязки
Дверное полотно может быть окрашено или отделано шпоном. Используются наплавные и плоские филенки, фигареи (филенки с фигурно выструганными концами) и окладные калевки. Толщина филенки должна составлять не менее 8 мм, если бруски имеют ширину до 80 мм. Чем больше средников и филенок, тем прочнее и надежнее будет полотно. Однако следует учитывать, что большое число филенок усложняет процесс изготовления двери и увеличивает стоимость готового изделия.
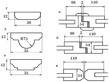
Рамочные двери с двумя створками закрываются с небольшим зазором (до 2 мм), который маскируется притворной планкой (рис. 15).

Рис. 15. Схема притвора и притворные планки (размеры указаны в мм): а, б – притворы для дверей, открывающихся в одну сторону; в – притворы для качающихся дверей; г, д, е – притворные планки
При выборе профиля планки необходимо ориентироваться на стиль, в котором выполнены филенки дверного полотна. Планку приклеивают, а после высыхания клея фиксируют с помощью шурупов. Если двери качающиеся, тогда притворные планки не нужны. В этом случае между полотнами остается зазор в 5 мм.
В зависимости от места установки двери бывают входными и межкомнатными. Об особенностях каждого типа будет рассказано далее.
Входные двери
Они обязательно должны соответствовать следующим требованиям:
– иметь усиленную конструкцию;
– подходить к стилю здания;
– оснащаться специальной фурнитурой и замками;
– отвечать требованиям тепло– и звукоизоляции;
– иметь порог;
– быть устойчивыми к воздействиям внешней среды и перепаду температур.
Входные двери могут иметь различную форму, заполнитель и дизайн (рис. 16).

Рис. 16. Дизайн деревянных входных дверей
Для достижения должной шумо– и теплоизоляции щитовое дверное полотно оснащается металлическими стержнями или вставками (рис. 17) и толстым слоем звуко– и теплоизоляционного материала.

Рис. 17. Щитовая дверь с металлическими стержнями: 1 – стержень; 2 – шайбы; 3 – гайка; 4 – декоративная пробка; 5 – пазы в брусках; 6 – рейка
Филенки рамочных дверных полотен изготавливаются двухслойными. Это необходимо для того, чтобы уложить утеплитель между слоями (стекловата, минеральная вата и др.). Между дверными полотнами двойной двери находится промежуток, заполненный воздухом (тамбур). При этом дверная коробка может быть раздельной или общей.
Для усиления входной двери используются металлические листы. Если имеется стеклянная вставка, то она оформляется специальной решеткой. Для предотвращения разбухания двери ее покрывают влагоустойчивой краской.
Довольно популярны двери сейфового типа, которые имеют толщину 50 мм, вес не менее 50 кг и снабжены полиуретановыми наполнителями и резиновыми прокладками для качественной звукоизоляции. Такие конструкции отделываются шпоном, покрытиями из ПВД и других материалов. Следует отметить, что при достаточной надежности они не уступают по внешнему виду обычным входным дверям.
Входная дверь может быть также выполнена из фибропараллели (влагостойкого материала). В этом случае ей не страшны никакие погодные условия (рис. 18).

Рис. 18. Дизайн влагостойких дверей
Межкомнатные двери
Межкомнатные двери не только разделяют два помещения, но и являются частью интерьера. Они бывают складывающимися, раздвижными, распашными, филенчатыми, остекленными или гладкими (рис. 19).

Рис. 19. Филенчатые и остекленные межкомнатные двери
Особенно красиво смотрятся двери, выполненные из натурального дерева и облицованные шпоном из красного дерева, ореха и др. (рис. 20). Для изготовления дорогостоящих экземпляров используется древесина ценных пород (массив бука, ясеня, дуба, ореха) (рис. 21).

Рис. 20. Межкомнатные двери, покрытые шпоном