
Рис. 4.7. Реализация функции F в виде логической схемы
Для графического отображения логических схем существуют различные компьютерные программы, называемые графическими редакторами. Данные программы могут быть включены в другие компьютерные программы, например в программах Microsoft Word и Microsoft Excel такие редакторы реализованы с помощью панелей инструментов "Рисование", или быть самостоятельными программами, например Paint, Microsoft Visio и т. д. Воспользуемся встроенным графическим редактором (панель "Рисование") программы MS Excel для графического отображения логической схемы функции F. Данная логическая схема показана на рис. 4.8.

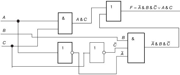
Рис. 4.8. Графическое отображение логической функции F с помощью программы MS Excel
На основе функционально полного набора логических элементов построены различные электронные устройства, входящие в состав компьютера. К таким устройствам относятся сумматоры (выполняющие операции сложения двоичных чисел), триггеры (устройства, имеющие два устойчивых состояния: логического нуля и логической единицы и используемые в качестве двоичных элементов памяти), регистры памяти (состоящие из набора триггеров), двоичные счетчики, селекторы (переключатели сигналов), шифраторы, дешифраторы и т. д.
Рассмотренные выше таблицы истинности логических элементов показывают установившиеся значения логических переменных. Однако когда логические переменные представлены в виде электрических сигналов, то необходимо некоторое время для того, чтобы значение логической функции достигло уровня установившегося состояния из-за внутренних задержек по времени в электронных логических элементах. В среднем задержка электрического сигнала такого элемента составляет 10 с. В компьютере двоичные сигналы проходят через множество электронных схем, и задержка по времени может стать значительной. В этом случае выделяется отрезок времени (такт) на каждый шаг логической операции. Если операция заканчивается раньше, чем заканчивается тактовое время, то устройство, входящее в состав компьютера, ожидает ее окончания. В результате скорость выполнения операций несколько снижается, но достигается высокая надежность, так как обеспечивается синхронизация между многими параллельно выполняющимися операциями в компьютере. Синхронизация устройств в компьютере обеспечивается с помощью специального генератора – генератора тактовой частоты, который вырабатывает электрические импульсы стабильной частоты.
Упражнения для самостоятельного выполнения
1. Выполнить поразрядное логическое сложение и умножение двоичных чисел:
а) 101 и 110; б) 10101 и 11100; в) 110011 и 111100.
2. Преобразовать следующие логические выражения:

3. Доказать, что число логических функций двух логических переменных равно 16.
4. Реализовать модифицированные таблицы истинности логических схем НЕ, ИЛИ, И-НЕ, ИЛИ-НЕ (см. рис. 4.5), используя программу MS Excel.
5. Составить таблицы истинности для следующих логических функций:

6. Записать выражения для логических функций F1и F2в виде СДНФ и СКНФ. Логические функции F1и F2 представлены далее соответственно таблицами истинности.

7. По заданному преподавателем варианту таблицы N составить таблицу истинности логической функции F, используя таблицу М. Найти выражение для логической функции F, осуществить ее преобразование в соответствии с основными законами алгебры логики и разработать логическую схему полученной функции с использованием логических схем НЕ, И, ИЛИ. Для графического отображения разработанной логической схемы использовать любой графический редактор.
Таблица М

Таблица N

Глава 5
Структурная организация и аппаратные средства персонального компьютера
5.1. Классификация компьютеров
Прежде чем рассмотреть вопрос о классификации компьютеров, остановимся на ряде определений. Обработка информации является важной составляющей информационного процесса. Под обработкой информации будем понимать действия, совершаемые над информацией, представленной в формализованном виде, т. е. в виде структур данных, с помощью определенных алгоритмов – последовательности действий, осуществляемых по определенным правилам и реализуемых с помощью технических средств. Результатом обработки является тоже информация, которая удовлетворяет поставленным целям (например, обработка числовой, текстовой, графической и другой информации) и может быть представлена в соответствующих формах. Попытки автоматизировать процесс обработки информации и вычислений на основе открытий в области математики, физики, химии и т. д. в течение нескольких столетий привели к созданию современного компьютера (от англ. computer, что дословно переводится как вычислитель) или электронно-вычислительная машина (ЭВМ – русское название, которое в настоящее время по ряду причин используется достаточно редко). В современных информационных технологиях компьютер используется в качестве основного технического средства для обработки информации.
Таким образом, компьютером называется техническая система, предназначенная для автоматизации процесса обработки информации и вычислений на основе принципа программного управления. В данном определении используется термин "техническая система", который подчеркивает взаимосвязь аппаратных и программных средств компьютера.
Аппаратные средства представляет собой совокупность технических устройств, обеспечивающих процесс функционирования компьютера. Аппаратные средства часто называют хардом, устоявшимся сленгом в русском языке (от англ. hardware).
Программные средства представляют собой совокупность программ, обеспечивающих процесс обработки информации на компьютере. Программные средства часто называют сленговым словом "софт" (от англ. software).
Как уже отмечалось, в основе любой классификации лежит рациональный выбор признаков, по которым рассматриваемый объект или явление можно разделить на группы или классы. Основной целью классификации является формирование групп или классов с характерными свойствами, присущими только этой группе или классу, что позволяет более детально изучить эти свойства и проследить динамику их изменения во времени. В настоящее время классификация компьютеров не закреплена соответствующими стандартами, что объясняется высокими темпами развития компьютерной техники и информационных технологий. Приблизительно каждые два года происходит замена аппаратных и программных средств компьютера новыми, причем общемировая тенденция направлена на сокращение этих сроков. В этой связи любая классификация компьютеров является условной, поскольку некоторые свойства, которые были характерными для определенных групп (классов) компьютеров в прошлом, утрачивают эти свойства со временем. Принципиально может быть бесконечно много классификационных признаков. Выделим наиболее существенные признаки и проведем по ним классификацию. Условная классификация компьютеров по этим признакам приведена в табл. 5.1.
Таблица 5.1