Программа-монитор
Разработка программ для микропроцессоров происходит во многом иначе, чем для универсального компьютера. При выполнении программы на универсальном компьютере ее запуск, взаимодействие с внутренними и внешними устройствами или человеком берет на себя операционная система. Программа, написанная для микроконтроллера, должна решать все эти задачи самостоятельно. Программа универсального компьютера когда-нибудь запускается и завершается. Программа, управляющая микроконтроллером, запускается при включении устройства и не завершает свою работу, пока не будет выключено питание.
Рассмотрим программу для микроконтроллера, которая будет выполнять поставленные задачи. Назовем эту программу "монитор", поскольку она "наблюдает" за использованием ресурсов системы. Схема алгоритма программы-монитора приведена на рис. 7.10.

Рис. 7.10.Схема алгоритма программы-монитора
После включения питания эта программа должна настроить микросхему микроконтроллера для выполняемой разрабатываемым устройством задачи. Для этого она должна запрограммировать определенные выводы микросхемы микроконтроллера на ввод или вывод информации, включить и настроить внутренние таймеры и т. д. Этот блок алгоритма программы-монитора называется инициализацией процессора. Инициализация микроконтроллера выполняется только один раз. Повторно она может потребоваться только при сбоях в работе микроконтроллера. Устранение таких сбоев производится аппаратным сбросом микроконтроллера.
Основная часть программы, реализующая алгоритм работы устройства, начинает выполняться после инициализации микроконтроллера. При этом необходимо понимать, что если в устройствах, не содержащих программно-управляемых компонентов, ввод, обработка и вывод информации производятся различными аппаратными блоками, то при выполнении программы эти же действия производятся последовательно одним и тем же устройством - микропроцессором. Для выполнения каждой задачи обычно пишется отдельная подпрограмма. То есть при программной реализации устройства подпрограмма выполняет те же функции, что и отдельный блок при схемотехнической реализации устройства.
Точно так же, как и при аппаратной реализации различных блоков устройства, необходимо, чтобы каждая подпрограмма решала свою конкретную задачу. При написании программы очень часто возникает соблазн решать проблемы в месте их возникновения. В результате появляется огромное количество участков кода, занимающихся вводом информации, еще столько же участков, занимающихся управлением одним и тем же устройством. Гораздо лучше, если вводом информации занимается одна подпрограмма, для управления устройством, подключенным к микроконтроллеру, служит другая подпрограмма, а общий алгоритм работы устройства формирует третья подпрограмма. При этом нельзя допускать ситуации, когда подпрограмма ввода информации тут же пытается обработать полученные данные, и тем более начать управление каким-либо устройством.
Для того чтобы работали все написанные подпрограммы, они включаются в один бесконечный цикл. Это эквивалентно периодическому запуску аппаратных блоков. Соединению между блоками соответствует взаимодействие частей программы, осуществляемое при помощи глобальных переменных. В этом же цикле обычно предусматривается блок обработки ошибок. Его предназначение сообщать оператору (пользователю) о непредвиденной ситуации, такой как неправильный ввод с клавиатуры или неправильные данные, полученные от подключенного к микроконтроллеру устройства.
Приведем пример реализации такого алгоритма работы программы. Для написания программы воспользуемся принципами структурного программирования, рассмотренными ранее. В этом случае для проверки правильности работы программы можно воспользоваться заглушками. Исходный текст программы, реализующей алгоритм программы-монитора, схема которого показана на рис. 7.10, приведен в листинге 7.22.


Как видно из приведенного текста, программа еще ничего не делает. Все будущие действия обозначены в именах подпрограмм-заглушек, однако эта программа уже может быть оттранслирована и запущена. В отладчике можно проверить, что при включении устройства мы действительно попадаем в подпрограмму инициализации, а затем последовательно вызываются подпрограммы сбора и обработки информации, а также подпрограмма обработки ошибок.
При использовании нескольких подпрограмм встает проблема обмена информацией между ними. Как уже рассматривалось ранее, информация в подпрограмму может быть передана через параметры или через глобальные переменные. При создании программы-монитора может потребоваться передавать одну и ту же информацию нескольким подпрограммам (что аналогично параллельному соединению аппаратных блоков), поэтому в мониторе информация обычно передается через глобальные переменные, которые последовательно подвергаются обработке всеми подпрограммами, включенными в бесконечный цикл.
Рассмотрим подробнее, как реализуется чтение информации с выводов микроконтроллера. Очень важно, чтобы сигналы со всех выводов вались одновременно, иначе можно получить комбинации битов, не соответствующие действительности. Иллюстрация такой ситуации приведена на рис. 7.11. В результате опроса сигналов в контроллер будет введен код 000, который никогда не присутствовал на выводах микросхемы!

Рис. 7.11.Пример неодновременного опроса сигналов на выводах микроконтроллера
К сожалению, микроконтроллер может опрашивать порты только последовательно. Тем не менее, благодаря его высокому быстродействию можно обеспечить почти одновременное считывание информации со всех выводов микросхемы, поэтому вероятность возникновения ситуации, представленной на рис. 7.11, невысока.
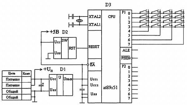
В качестве примера рассмотрим ввод информации с 16-кнопочной клавиатуры. Программа для микроконтроллера жестко зависит от принципиальной схемы разрабатываемого устройства. Невозможно написать программу для микроконтроллерного устройства, не имея перед глазами его принципиальной схемы. Схема подключения клавиатуры к микроконтроллеру приведена на рис. 7.12.

Рис. 7.12.Схема подключения клавиатуры к микроконтроллеру
Рассмотрим только подпрограмму ввода информации, т. к. уже указывалось ранее, остальные части программы не должны зависеть от алгоритма опроса кнопок клавиатуры. Они лишь должны использовать информацию, сформированную подпрограммой ввода информации.
Объявим глобальную переменную skancode, в которой будем хранить значения электрических сигналов на выводах микроконтроллера, подключенных к контактам клавиатуры. Переменная используется для формирования управляющих сигналов и считывания состояний контактов. Код, хранящийся в этой переменной и отображающий значения электрических сигналов на выводах микроконтроллера, называется скан-кодом клавиатуры.
Теперь собственно о программе. Если бы речь шла не о клавиатуре, то ввод информации свелся бы к простому копированию сигналов с внешних выводов порта в переменную командой
MOV SkanCode, P1.
Но при вводе информации с клавиатуры необходимо осуществить ее сканирование, т. е. последовательный опрос колонок или столбцов клавиатуры (по вашему желанию возможен любой из двух вариантов).
Сначала определим, каким сигналом будем осуществлять сканирование. Для этого нужно вспомнить внутреннее устройство порта. Обратите внимание, что в качестве примера выбран микроконтроллер семейства MCS-51! При использовании других микроконтроллеров принципиальная схема и сигналы опроса могут оказаться другими! Путь протекания тока через замкнутую кнопку клавиатуры и элементы порта для микроконтроллеров семейства MCS-51 показан на эквивалентной схеме двух разрядов порта Р1 (рис. 7.13).