
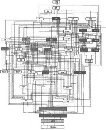
Рис. 2.6. Диаграмма Дэвида ван Эссена, изображающая необыкновенную сложность связей между зрительными областями у приматов, с множественными ответными петлями на каждой ступени иерархии. "Чёрный ящик" был открыт, а внутри оказался… целый лабиринт маленьких чёрных ящичков! Ну что ж, никто и не обещал, что это будет просто
У приматов, включая человека, значительная часть мозга, в том числе затылочные доли и части височной и теменной долей, отведена для зрения. Каждая из тридцати, или около того, зрительных областей внутри этой части содержит либо полную, либо частичную карту видимого мира. Всякому, кто считает зрение простым явлением, следовало бы взглянуть на одну из анатомических схем Дэвида ван Эссена, которые изображают структуру зрительных путей у обезьяны (рис. 2.6), учитывая при этом, что у людей они, судя по всему, должны быть ещё более сложными. Обратите внимание на то, что число нитей, идущих от каждой стадии обработки информации к более ранней стадии, как минимум не меньше (а в действительности даже больше!), чем число нитей, идущих от каждой области в следующую, высшую по иерархии область. Классическое понимание зрения как постепенного и последовательного анализа образа, с увеличением сложности при продвижении, полностью разрушено с открытием стольких обратных связей. Какова задача этих обратных проекций, остаётся лишь гадать, но моя интуиция говорит мне, что на каждой стадии обработки информации, как только мозг добивается частичного разрешения "проблемы" восприятия, такой, как определение идентичности объекта, его местоположения или движения, это частичное решение тотчас отсылается обратно на ранние стадии. Повторяющиеся циклы такого возвратного процесса позволяют исключить тупиковые ситуации и ложные решения, когда вы смотрите на "зашумленные" зрительные изображения, такие, как замаскированные объекты (наподобие картинки, "спрятанной" на рис. 2.7). Другими словами, эти обратные проекции позволяют вам сыграть с изображением в нечто вроде "20 вопросов" (популярная игра, когда ведущий загадывает предмет, а участники должны угадать, задав 20 вопросов, на которые можно отвечать лишь "да" и "нет". Ред.), предоставляя вам возможность быстро прийти к правильному ответу. Как будто бы каждый из нас все время галлюцинирует, и то, что мы называем восприятием, включало бы в себя просто выбор галлюцинации, наиболее соответствующей поступающей в настоящий момент информации. Конечно, это сильное преувеличение, но в нем есть большая доля истины. (А как мы увидим позднее, это может помочь объяснить наше восприятие искусства.)

Рис. 2.7. Что вы видите? Похоже на случайные брызги чёрных чернил на первый взгляд, но если вы будете смотреть достаточно долго, то сможете разглядеть спрятанную за ними картину
Точный способ распознания объекта все ещё большая загадка. Каким образом нейроны, активизирующиеся, когда вы смотрите на объект, распознают в нем лицо, а не стул, например? Что является отличительными признаками стула? В современном дизайнерском мебельном магазине большая пластиковая клякса с ямочкой посередине распознается как стул. Может показаться, что важнейшим является назначение нечто, позволяющее сидеть, а не то, что у этой вещи четыре ножки или спинка. Каким-то образом нервная система интерпретирует акт сидения как синонимичный восприятию стула. Ну а если это лицо, каким образом вы тотчас распознаете человека, несмотря на то что вы на протяжении жизни видели миллионы лиц и сохранили соответствующие изображения в ваших блоках памяти?
Определённые свойства или характерные черты объекта могут стать кратчайшим способом его распознавания. Например, на рис. 2.8а изображён круг с завитушкой посередине, но видите вы зад свиньи. А на рис. 2.86 четыре кружочка на двух прямых вертикальных линиях, но, как только я добавлю какие-нибудь детали, например когти, вы увидите медведя, карабкающегося на дерево. Эти картинки наводят на мысль, что определённые очень простые детали и характерные черты могут служить распознавательными маркёрами для более сложных объектов, но они не отвечают на более важный вопрос как выделяются и распознаются сами эти детали. Каким образом завитушка распознается как завитушка? Разумеется, завитушка на рис. 2.8а может быть только хвостом, учитывая общий контекст нахождения внутри круга. Если завитушка вне круга, никакого зада свиньи уже не просматривается. Это поднимает центральную проблему распознавания объектов, а именно каким образом зрительная система определяет отношения между свойствами и чертами объекта, чтобы его идентифицировать? Мы все ещё слишком мало в этом разбираемся.

Рис 2.8 а) Свинья, вид сзади б) Медведь
Проблема становится ещё более острой, когда речь идёт о распознавании лиц. Рис. 2.9а представляет собой схематическое изображение лица. Простое присутствие горизонтальных и вертикальных чёрточек заменяет изображение носа, глаз и рта, но только в том случае, если между ними соблюдены правильные взаимоотношения. У лица на рис. 2.96 сохранены те же самые признаки, что и на рис. 2.9а, но они перемешаны. Никакого лица не видно, если только вы, конечно, не Пикассо. Правильное расположение оказывается решающим.
Конечно, этим дело не исчерпывается. Как указал Стивен Косслин из Гарвардского университета, взаимоотношение черт (носа, глаз, рта в правильном соотношении) говорит вам только то, что это лицо, а не, скажем, собака или осел, но совершенно не говорит вам, чьё именно это лицо. Чтобы распознать конкретное лицо, вам необходимо переключиться на измерение относительных размеров и расстояний между чертами. Выглядит так, словно ваш мозг создал общий шаблон для человеческого лица, сравнив между собой и усреднив тысячи виденных им лиц. Затем, когда вы сталкиваетесь с новым лицом, вы сравниваете его с шаблоном, то есть ваши нейроны математически высчитывают разницу между усреднённым лицом и новым лицом. Конфигурация отклонений от усреднённого лица становится специфическим образцом для нового лица. Например, в сравнении с усреднённым лицом лицо Ричарда Никсона будет обладать носом картошкой и косматыми бровями. В сущности, вы можете преднамеренно преувеличить эти отклонения и получить карикатуру лицо, которое будет больше похоже на Никсона, чем само лицо Никсона. Опять-таки, позже мы увидим, как все это имеет отношение к некоторым видам искусства.
Впрочем, мы должны отдавать себе отчёт, что такие слова, как "преувеличение", "шаблон" и "взаимоотношения", могут внушить нам ложное чувство, будто мы объяснили намного больше, чем нам действительно удалось. Эти слова маскируют глубину нашего неведения. Нам неизвестно, каким образом нейроны в мозге совершают любое из этих действий. Тем не менее намеченная мною схема может обеспечить нам неплохой плацдарм для последующих исследований этого вопроса. Например, более двадцати лет назад учёные в области нейронауки открыли в височных долях обезьян нейроны, реагирующие на лица: каждый набор нейронов активизировался, когда обезьяна смотрела на определённое знакомое лицо, например лицо альфа-самца Джо или лицо Ланы, лучшей представительницы его гарема. В эссе об искусстве, опубликованном мной в 1998 году, я предсказал, что такие нейроны могут парадоксальным образом активизироваться в ещё большей степени в ответ на преувеличенную карикатуру данного лица, чем в ответ на оригинал. Это предсказание увлекательным образом было подтверждено серией блестящих экспериментов, поставленных в Гарварде. Такие эксперименты важны, поскольку они помогут нам перевести чисто теоретические теории о зрении и искусстве в область более точных, проверяемых моделей функции зрения.