Всего за 59.9 руб. Купить полную версию

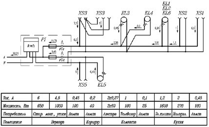
Рис. 28.Расчетная электрическая схема жилого дома
Токи потребителей электроэнергии можно взять из паспортов и инструкций. Если этих данных нет, их можно вычислить, разделив мощность электрического прибора в ваттах на номинальное напряжение питания (обычно 220 В). При определении тока однофазного электродвигателя полученную величину следует умножить на 2, чтобы учесть коэффициент полезного действия и реальные токи, потребляемые из сети.
Расчет ведут против потока энергии – от дальнего потребителя к щитку (в нашем случае расчет надо вести от настенный светильник к щитку). По проводам розетки Х51 до ответвления Х52 протекает только ток лампы настенного светильника, равный 0,1 А. Далее к нему добавляются токи телевизора (1 А), люстры (0,81 А). Значит, по проводам, введенным в комнату, протекает суммарный ток 1,91 А. Если вести расчет дальше, выяснится, что наибольшей нагрузкой в линии является электроплита с током 7,2 А, а по проводам ответвления к розеткам Х53 и Х54 течет суммарный ток плиты и холодильника 9,2 А. Наиболее нагружены провода на участке от места ответвления к розеткам Х53 и Х54 до щитка. По ним и по плавкой вставке предохранителя FU1течет суммарный ток всех нагрузок линии, равный примерно 12 А.
Расчет второй линии дает величину тока, протекающего по проводам ее головного участка и плавкой вставке предохранителя FU2 (6, 45 А). А через счетчик проходит суммарный ток обеих линий – около 19 А.
Токи в фазном и нулевом проводах по величине одинаковы. Направления токов на участках проводки, показанные около фазных проводов, взяты произвольно.
При составлении схемы учитывалось следующее.
Электрические нагрузки значительной мощности размещены поближе к вводному щитку, чтобы провода к их розеткам не имели соединений и были максимально короткими. При значительном удалении мощной нагрузки от щитка ее ток вызовет падение напряжения в протяженных проводах линии. Напряжение на других потребителях будет меняться при включении и выключении мощной нагрузки, что проявится в мигании ламп освещения, изменении яркости экрана телевизора и т. д. А при короткой линии к мощному потребителю, выполненной проводами с большим сечением жил, такие эффекты будут минимальными.
Из токов двух потребителей, подключаемых к розетке Х55 – стиральная машина и утюг, – в расчет взят, создающий большие нагрузки для проводки.
Корпуса большинства электроплит, жарочных шкафов должны быть занулены. Для их подключения нужна розетка с защитным зануляющим контактом, которую устанавливают в кухне.
Подсчет токов потребителей показывает, что через предохранители FU1 и FU2 потекут токи 11, 76 и 6,45 А. Эти показатели важны при выборе номинальных токов плавких вставок предохранителей.
Надо иметь в виду, что реальные токи через предохранители и счетчик будут меньше, так как в доме редко включаются все потребители одновременно, однако выбор проводов, аппаратов защиты и учета электроэнергии надо вести применительно к такому случаю.
А теперь стоит рассмотреть выбор сечения жил проводов.
Провода проводки при протекании по ним тока имеют температуру, большую температуры окружающей среды. Она не действует отрицательно на металл проводов, но разрушает изоляцию на них, которая при нагреве стареет, становится хрупкой, трескается и осыпается.
На нагрев жил проводов влияют способ прокладки проводов, их число, размещение рядом, материал изоляции. Эти факторы должны учитываться при выборе сечения жил, которое позволило бы обеспечить питание потребителей без перегрева проводов.
Из двух величин сечения жил проводов, выбранных по условиям нагрева длительно протекающим током и механической прочности, для монтажа выбирается наибольшая.
П р и м е р в ы б о р а с е ч е н и я ж и л п р о в о д о в. Исходные данные (токи на участках проводки по нашей расчетной схеме): провод – АПРФ с 2 или 3 алюминиевыми жилами в резиновой изоляции в фальцованной оболочке из алюминия; способ прокладки – по поверхности стен и потолков.
Выбор по условиям нагрева. Сечение жил проводов ввода от изолятора на наружной стороне стены дома до счетчика – 2,5 мм (длительно допустимый ток – 21 А, расчетный – 18, 21 А). Сечение жил проводов от щитка до розеток Х53, Х54 – 2,5 мм (длительно допустимый ток – 21 А, расчетный 11,76 А). Провод АПРФ выпускается с жилами не менее 2,5 мм, поэтому он применим и на всех других участках, где токи меньше, чем токи в головных участках первой линии.
Выбор по условию механической прочности. Наименьшее допустимое сечение алюминиевых жил защищенных проводов, присоединяемых к винтовым зажимам, – 2 мм, минимальное допустимое сечение алюминиевых жил проводов ввода – 4 мм.
Сечение жил проводов ввода в здание выбирается по условию механической прочности – 4 мм. Сечение жил проводов от щитка до розеток Х53, Х54 – 4 мм. Это решение выглядит нерациональным, так как провода с сечением жил 2,5 мм допускают длительное протекание тока до 21 А без перегрева, а расчетный ток не превышает 12 А. Но раз придется приобретать провод сечением 4 мм для ввода в дом, то есть смысл и самый нагруженный участок проводки от щитка до розетки электроплитки выполнить проводами большего сечения, что снизит их нагрев и уменьшит колебания напряжения в сети. Для всех остальных участков проводки можно использовать провод с сечением жил 2,5 мм.
Кабели
Кабелем называют одну или несколько изолированных и скрученных между собой жил, заключенных в герметичную оболочку, поверх которой могут быть наложены различные защитные покровы.
По назначению кабели подразделяют на силовые и контрольные.
Силовые предназначены для передачи и распределения электрической энергии к различным токоприемникам и РУ, контрольные – для присоединения к электрическим приборам, аппаратам и сборкам зажимов (в сетях управления, сигнализации и автоматизации).
По виду изоляции и оболочки кабели подразделяют на следующие группы:
1) с пропитанной бумажной изоляцией в металлической оболочке;
2) с бумажной изоляцией, пропитанной нестекающим составом, в металлической оболочке;
3) с пластмассовой изоляцией в пластмассовой или металлической оболочке;
4) с резиновой изоляцией в пластмассовой, резиновой или металлической оболочке.
В каждой группе кабели подразделяют по номинальному напряжению, сечению, числу и материалу жил и типу защитного покрова.
Кабели изготовляют в соответствии с действующими государственными (ГОСТ) и отраслевыми стандартами (ОСТ) и техническими условиями (ТУ) на номинальное напряжение 0,66; 1; 3; 6; 10; 20 и 35 кВ и сечениями токопроводящих жил 1; 1,5; 2,5; 4; 6; 10; 16; 25; 35; 50; 70; 95; 120; 150; 185; 240; 300; 400; 500; 625; 800 и 1000 мм. (Кабели высокого напряжения на 110 кВ будут рассмотрены ниже.)
Токопроводящие жилы кабелей изготовляют из медной проволоки марок ММ (мягкая) и МТ (твердая) и алюминиевой марок AM (мягкая), АПТ (полутвердая), AT (твердая) и АТП (повышенной твердости). Проволоки скручивают в стренгу (часть гибкой многопроволочной жилы, скрученной из нескольких проволок) или в жилу. При правильной скрутке проволока в жиле, в стренге, а также стренги в жиле должны прилегать друг к другу, при этом не должно быть перекрещиваний проволок или стренг, расположенных в одном повиве.
В зависимости от гибкости жилы кабелей делят на шесть классов.
Для неподвижной прокладки кабелей применяют жилы I, II и III классов, для подвижной – более гибкие жилы – IV, V и VI классов.
Для силовых кабелей стационарной прокладки изготовляют жилы круглой, фасонной или комбинированной формы.
Применение секторных и сегментных жил вместо круглых позволяет уменьшать диаметр кабеля на 20-25 % и соответственно сокращать расход других материалов (на изоляцию, оболочку и защитные покровы).
В зависимости от условий прокладки кабелей применяют алюминиевые или медные жилы.
Медные однопроволочные жилы изготовляют круглыми для сечений 1?50 мм и фасонными для сечений 25-50 мм; многопроволочные жилы – круглыми для сечений 16-1000 мм и фасонными для сечений 25-300 мм.
Алюминиевые однопроволочные жилы изготовляют круглыми для сечений 2,5-240 мм, фасонными для сечений 25?240 мм, многопроволочные жилы – круглыми для сечений 70-1000 мм, фасонными для сечений 70-240 мм.
Применение однопроволочных алюминиевых жил сечением до 240 мм уменьшает стоимость кабелей (исключается скручивание отдельных проволок), но увеличивает их общую жесткость, что создает определенные трудности при прокладке.
В обозначение кабелей с однопроволочными жилами после цифры, указывающей сечение, добавляют буквы "ож".