Всего за 64.9 руб. Купить полную версию

Рис. 4.8. Нагар на поршнях
Внимание!
Скопление нагара в цилиндрах двигателя способно увеличить расход топлива в среднем на 10–15 %.
Кроме этого, повышенное образование нагара может спровоцировать целый ряд других, более серьезных неисправностей: прогорание днища поршней, тарелок клапанов, заедание поршневых колец и др. Поэтому затягивать с ремонтом в таком случае не рекомендуется.
Для удаления нагара из цилиндров следует снять головку блока цилиндров, после чего механическим способом удалить нагар с днищ поршней и рабочих поверхностей клапанов, а также с поверхностей самой головки блока. Используемый для этого инструмент предельно прост: это деревянные скребки и металлические щетки.
Совет
Намного легче будет удалить нагар, если предварительно смочить поврежденные места керосином.
Отмечу, что данный метод удаления нагара является сложным и своими силами такой ремонт может сделать только специалист. Поэтому большинству автолюбителей для этого придется посетить СТО. Ремонт будет не дешевым, поскольку данная работа довольно трудоемка, однако сделать его необходимо.
Если же вам очень не хочется отдавать своего "железного коня" на СТО - попробуйте удалить нагар самостоятельно, используя более простой метод, при котором снимать головку блока цилиндров и разбирать двигатель не придется.
В каждый цилиндр предварительно прогретого двигателя залейте около 20 мл смеси, состоящей из 80 % керосина и 20 % масла. Затем проверните коленчатый вал рукояткой примерно на 6–8 полных оборотов и дайте автомобилю спокойно постоять 15–25 ч.
После этого заведите мотор и дайте ему поработать на холостых оборотах примерно 25–35 мин - нагар должен выгореть.
Смысл данного способа заключается в том, что за время стояния автомобиля с залитой в цилиндры смесью нагар размягчается. Когда вы заводите после этого мотор, нагар выгорает и выходит через выхлопную трубу.
Однако следует отметить, что данный способ является менее эффективным, чем разборка двигателя и снятие головки блока цилиндров. Поэтому его целесообразно применять только тогда, когда скопление нагара небольшое и иного выхода нет (например, если поблизости отсутствует СТО). Учтите, что после очистки двигателя таким способом необходимо заменить моторное масло и масляный фильтр.
Преждевременная детонация - причина повышенного расхода топлива
Многим опытным водителям доводилось сталкиваться с такой проблемой, как преждевременная детонация горючей смеси в цилиндрах двигателя. Сущность неисправности заключается в том, что горючая смесь при сжатии самовоспламеняется слишком рано. Таким образом, давление на поршень создается еще до того, как он достиг ВМТ, то есть поршень еще движется вверх, но уже получает давление в обратном направлении. Это явление самым отрицательным образом сказывается на мощности двигателя и экономичности автомобиля.
При возникновении детонации лишнее тепло, возникающее в результате сгорания рабочей смеси, передается на днище поршня и стенки камеры сгорания. Это приводит к перегреву двигателя, а также коррозии внутренней поверхности камеры сгорания и днища поршня. Начинает разрушаться также и прокладка головки блока цилиндров, которая в конечном счете прогорает. Кроме того, при работе двигателя с преждевременной детонацией начинают быстро изнашиваться его детали (в частности, детали шатунно¬поршневой группы).
Причиной преждевременной детонации часто является повышенное образование нагара в цилиндрах двигателя (об этой неисправности рассказывалось в предыдущем разделе).
Кроме того, к ранней детонации может привести:
• раннее зажигание;
• слишком бедная рабочая смесь;
• использование топлива, которое не предназначено для данного автомобиля;
• неисправность системы охлаждения двигателя;
• длительная работа двигателя с малой частотой вращения коленчатого вала (это в первую очередь относится к автомобилям отечественного производства).
Чтобы определить причину детонации, вначале следует выяснить, не возникает ли так называемое "калильное зажигание" (то есть возгорание рабочей смеси от накала еще до появления искры в свече зажигания). Подобное явление иногда случается по причине перегрева двигателя в конце такта сжатия: горючая смесь соприкасается с раскаленными электродами свечи, внутренними поверхностями цилиндра, нагаром и др. Таким образом, сжатая смесь становится слишком горячей и, следовательно, самовоспламеняется раньше положенного времени.
Отличить детонацию от самовоспламенения можно самостоятельно. Для этого выключите зажигание: если мотор сразу перестал работать - значит, вы имеете дело с детонацией, поскольку она возникает лишь после воспламенения горючей смеси от искры зажигания.
Отмечу, что, когда автомобиль едет на большой скорости, вероятность возникновения детонации заметно снижается. Это происходит потому, что при высокой частоте вращения коленчатого вала интервал времени, в течение которого горючая смесь находится в цилиндрах двигателя, заметно уменьшается.
Надежность системы охлаждения
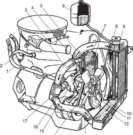
Важным фактором, во многом обеспечивающим экономичность автомобиля, является надежная и стабильная работа системы охлаждения двигателя (рис. 4.9).

Рис. 4.9. Схема системы охлаждения двигателя:
1 - трубка отвода жидкости от радиатора отопителя и рубашки подогрева впускного трубопровода; 2 - патрубок подвода жидкости в радиатор отопителя; 3 - перепускной шланг; 4 - выпускной патрубок рубашки охлаждения; 5 - подводящий шланг радиатора; 6 - расширительный бачок; 7 - рубашки охлаждения головки и блока цилиндров; 8 - пробка радиатора; 9 - трубка радиатора; 10 - кожух вентилятора; 11 - вентилятор; 12 - шкив привода насоса охлаждающей жидкости; 13 - отводящий шланг радиатора; 14 - ремень привода насоса и генератора; 15 - насос охлаждающей жидкости; 16 - шланг подачи охлаждающей жидкости в насос; 17 - термостат
В момент сгорания рабочей смеси температура в цилиндре двигателя достигает +2000 °C, а средняя температура находится в пределах +800-1000 °C. Очевидно, что в таком режиме двигатель долго работать не сможет по причине перегрева и последующего выхода из строя его металлических частей. Поэтому для обеспечения нормальной температуры работы двигателя, а точнее для его своевременного охлаждения, в каждом автомобиле предусмотрена система охлаждения. Однако это не единственная ее задача: она обеспечивает также ускорение прогрева холодного двигателя.
В современных автомобилях используются жидкостные системы охлаждения. Это означает, что в качестве охлаждающего элемента в них применяется жидкость (вода, тосол или антифриз).
В холодное время года одной из наиболее распространенных неисправностей системы охлаждения является выход из строя термостата. Термостат - это прибор, который обеспечивает оптимальный тепловой режим работы двигателя (рис. 4.10). Дело в том, что жидкость в системе охлаждения может циркулировать по большому кругу (термостат открыт) или по малому кругу (термостат закрыт). Малый круг циркуляции используется для быстрого прогрева холодного двигателя. Кроме того, по малому кругу жидкость циркулирует в холодное время года для того, чтобы двигатель не переохлаждался. В теплое время года охлаждающая жидкость циркулирует по большому кругу, так как в это время мотор больше нуждается в охлаждении, чем зимой. Термостат направляет жидкость по большому либо по малому кругу - это зависит от текущего режима работы и условий эксплуатации.

Рис. 4.10. Термостат
Когда водитель только заводит автомобиль, двигатель еще некоторое время остается холодным, термостат полностью закрыт и жидкость может циркулировать лишь по малому кругу. По мере прогрева двигателя термостат приоткрывается и часть жидкости направляется на большой круг (при этом другая продолжает циркулировать по малому кругу). Как только температура охлаждающей жидкости в системе достигает +80–90 °C, термостат полностью открывается и вся жидкость начинает циркулировать по большому кругу. Если в процессе езды двигатель переохлаждается, термостат вновь частично либо полностью закрывается, направляя часть жидкости (или всю) циркулировать по малому кругу.
Если термостат неисправен, его придется заменить: этот прибор не предусматривает ремонта. Процедура замены термостата на большинстве автомобилей проста, опытные водители выполняют эту работу самостоятельно.
Одной из распространенных причин нестабильной работы системы охлаждения является выход из строя радиатора - прибора, предназначенного для охлаждения жидкости за счет встречного потока воздуха либо с помощью специального вентилятора (рис. 4.11). Радиатор установлен в передней части моторного отсека автомобиля и содержит большое количество трубок, каналов и перепонок, с помощью которых существенно увеличивается объем одновременно охлаждающейся жидкости.