Всего за 589 руб. Купить полную версию

Сборочный цех завода "Нибелунгенверке" в городе Сент-Валентин (Австрия)
Выпуск "ягдтигров" (точнее, их изготовление) начался в июле 1944 года в цехах завода Niebelungenwerke в Сент-Валентине, принадлежавшего концерну Steyr-Daimler-Puch AG. Не считая трех первых прототипов, было изготовлено 74 "Ягдтигра".
Производство САУ "Ягдтигр"

Планами предусматривалось изготовить в 1944 году 150 "ягдтигров", а в 1945-м еще 100 до мая-месяца. Затем производство предполагалось перенести на завод фирмы Jung в Юнгентале. На новом месте немцы собирались выпустить 5 машин в мае, 15 в июне, а затем изготавливать ежемесячно по 25 штук до конца 1945 года. Планам этим не суждено было сбыться. Выпуском "ягдтигров" занимался только завод Niebelungenwerke, причем, как это видно из таблицы, с существенным отставанием от графика, что и неудивительно. 16 октября 1944 года союзная авиация совершила воздушный налет на завод в Сент-Валентине и сбросила на него около 143 т бомб. Производство "ягдтигров" на некоторое время полностью прекратилось, а потом велось очень медленными темпами, достигнув своего максимума в марте 1945 года (скорее всего за счет сдачи машин, сборка которых была начата еще в феврале). Но 23 марта 1945 года завод Niebelungenwerke был подвергнут еще одной массированной бомбардировке (сброшено около 258 т фугасных бомб), практически остановившей производство. Последние 4 "Ягдтигра" были собраны к 15 апреля 1945 года. Эти машины получил 653-й батальон тяжелых истребителей танков (Panzerjager Abteilung 653), причем последняя самоходка была передана экипажу 4 мая 1945 года. Спустя четыре дня завод в Сент-Валентине был занят Красной Армией.

"Ягдтигр" в сборочном цеху. Хорошо видны балансиры подвески Хеншеля
В связи с нехваткой 128-мм орудий Рак 44 было принято решение об установке на "Ягдтигр" 88-мм пушки Рак 43/3. Планировалось в апреле 1945 года изготовить 4 таких машины, а в мае – 17. Проект САУ Panzerjager Tiger fur 8,8 cm Pak 43/3 (Sd.Kfz.185) был разработан, но в металле ни одна машина изготовлена не была.

Сборочный цех завода "Нибелунгенверке" после бомбежки 16 октября 1944 года
Описание конструкции

Компоновка истребителя танков "Ягдтигр"
Общая компоновка САУ Jagdtiger в целом сохранилась такой же, как у танка Tiger II. Однако нагрузка на шасси при выстреле предполагалась большей, чем у танка, поэтому его удлинили на 260 мм.
Отделение управления находилось в передней части САУ. В нем размещались главный фрикцион, коробка передач и механизм поворота. Слева от коробки передач располагались органы управления, контрольные приборы и сиденье механика-водителя. Справа находился курсовой пулемет и сиденье стрелка-радиста. Радиостанция также находилась в отделении управления – над коробкой передач и правой бортовой передачей.
Боевое отделение располагалось в средней части самоходной установки. Над ним размещалась бронированная рубка, в которой монтировалось орудие. Слева от пушки находились перископический прицел, механизмы наведения и сиденье наводчика. Сиденье командира находилось справа от орудия. В нишах по стенкам корпуса рубки и на полу боевого отделения размещался боекомплект. В задней части рубки размещались два заряжающих.
В моторном отделении, располагавшемся в кормовой части корпуса, размещались двигатель, вентиляторы и радиаторы системы охлаждения, топливные баки. Между моторным и боевым отделениями имелась перегородка.
Следует отметить, что бронекорпус танка почти не претерпел изменений ни в части конструкции, ни в части толщины брони. Борта рубки представляли собой одно целое с бортами корпуса и имели такую же толщину – 80 мм. Лобовой и кормовой листы рубки соединялись с бортами "в шип", усиливались шпонками, а затем обваривались. Толщина лобового листа рубки достигала 250 мм, располагался он под углом 75° от горизонтали, что делало его практически неуязвимым для всех противотанковых средств противника на дистанции свыше 400 м. Кормовой лист имел толщину 80 мм. В нем располагался люк для демонтажа орудия, загрузки боекомплекта и эвакуации экипажа, закрывавшийся двухстворчатой крышкой на петлях. Крыша рубки изготавливалась из 40-мм бронелиста и крепилась к корпусу болтами. В правой передней части крыши рубки располагалась командирская вращающаяся наблюдательная башенка со смотровым прибором, прикрытым П-образной броневой скобой. Перед прибором в крыше башенки имелся лючок для установки стереотрубы. За командирской башенкой размещался посадочный люк командира, а слева от нее – амбразура перископического прицела пушки. Кроме того, в крыше рубки устанавливались вентилятор, "устройство ближнего боя" и четыре прибора наблюдения.

"Ягдтигр" (шасси № 305003) с подвеской конструкции Порше перед отправкой на фронт
В амбразуре переднего листа рубки, прикрытой массивной литой маской, устанавливалась пушка 12,8 cm Pak 44 (Pak 80) калибра 128 мм. Начальная скорость бронебойного снаряда достигала 920 м/с. Длина ствола орудия, разработанного фирмой Кгарр и изготавливавшегося на предприятии Bertha-Werke в Бреслау, составляла 55 калибров (7020 мм). Масса орудия – 7000 кг. Затвор – клиновой, горизонтальный, имел 1/4 автоматики, то есть открывание затвора и экстрактирование гильзы производились вручную, а после досылания снаряда и заряда затвор закрывался автоматически. Пушка была смонтирована на специальном станке, установленном в корпусе САУ. Вертикальное наведение осуществлялось в пределах от -7° до +15°, горизонтальное – 10° на сторону. Противооткатные устройства располагались над стволом орудия. Предельная длина отката – 900 мм. Наибольшая дальность стрельбы осколочно-фугасным снарядом достигала 12,5 км. Как уже отмечалось, пушка Рак 44 отличалась от 128-мм зенитной пушки Flak 40 раздельно-гильзовым заряжанием. В тесной рубке САУ с громоздким и тяжелым "унитаром" не было возможности развернуться. Для ускорения процесса заряжания в экипаж "Ягдтигра" входили два заряжающих: в то время как один досылал в камору снаряд, другой – подавал гильзу с зарядом. Тем не менее, скорострельность "Ягдтигра" не превышала 2 – 3 выстр/мин.

"Ягдтигр", вид сзади. Обращают на себя внимание кожухи выхлопных труб и массивная двухстворчатая броневая дверь в кормовом листе рубки
Panzerjager Tiger Ausf.B
Чертеж выполнил В.Мальгинов



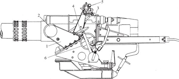
Станок 128-мм пушки:
1 – кронштейн крепления цапфы;
2 – цапфа;
3 – тормоз отката;
4 – маховик горизонтальной наводки;
5 – привод к прицелу;
6 – маховик вертикальной наводки
Боекомплект САУ размещался на полу боевого отделения и бортах рубки в хомутиковых укладках и составлял 38 – 40 выстрелов.
Перископический прицел WZF 2/1 имел десятикратное увеличение и поле зрения 7°, что позволяло поражать цели на дистанции до 4000 м.
Вспомогательное вооружение "Ягдтигра" состояло из пулемета MG 34, размещенного в шаровой установке в лобовом листе корпуса. Боекомплект пулемета – 1500 патронов. На крыше рубки было смонтировано "устройство ближнего боя" – 26-мм противопехотный гранатомет. На машинах поздних выпусков стал устанавливаться зенитный пулемет MG 42.