Безбашенный Аноним "Безбашенный" - Новая эпоха [с иллюстрациями] стр 44.

Шрифт
Фон

Так Макс, ты ж не забывай, что Эйфелева башня это ещё девятнадцатый век, и как мачта антенны

она начала использоваться ещё в его конце. Радиопередатчик ещё самый примитивный, системы Маркони Попова с его широченным диапазоном частот сигнала и быстрым затуханием. Это же архаика! А в Первую Мировую применялись уже передатчики Брауна, усовершенствованные и диапазон частот поуже, и сам частотный пик выражен ярче, и затухание уже не такое. Там и антенна уже не такая здоровенная требовалась. Для ближней связи вообще где-то метров от сорока и до ста пятидесяти.

Тоже немало, заметил я.

Если проволока нетолстая, то уже вполне реально на "корзину" намотать, и получится уже достаточно компактно.

Ага, вот она, вот она, на хрену намотана. И всё это городить ради морзянки? Для ближней связи хочется всё-таки иметь нормальную голосовую, типа радиотелефона.

А чем тебе тогда обычный проводной телефон не подходит? Проволоки на него, кстати, при наших городских расстояниях, ничуть не больше уйдёт, чем на намотку корзиночных антенн

Серёга, ну ты прямо как не из России! Тут на охране этих телефонных линий разоришься на хрен! То, что у меня "на хрену намотано" это у меня, что у тебя это у тебя дома и под замком, а телефонные провода на улице. Даже в Оссонобе, если не охранять, скоммуниздят их на хрен, а представь себе линию из Оссонобы хотя бы сюда, в Лакобригу. Да тут тогда через каждую сотню метров по часовому надо будет ставить!

Ты так думаешь?

Это же электротехническая медь, мягкая и пластичная. Помнишь мою иголку в самые первые дни, которую я сделал из медной проволоки? Из тутошней обычной меди с ейными примесями свинца и висмута так легко её сделать хрен выйдет, из бронзы тем более, и швейные иглы дефицит, стоят дорого, а посеять такую звиздюшку как два пальца обоссать. Посеет её баба или сломает, так из нашей проволоки ей хоть муж, хоть сын-сопляк максимум в полчаса новую сделают. Слухи о нашей рафинированной меди наверняка уже разошлись, и додумаются до такого её применения мигом, так что можешь не сомневаться коммуниздить "бесхозные" провода будут со страшной силой.

Тогда да, нужен радиотелефон. Погоди-ка, чего-то у меня про старые рации на флэшке было далеко у тебя твой аппарат?

Я протянул ему мою "Нокию", и он принялся исследовать содержимое своих информационных загашников.

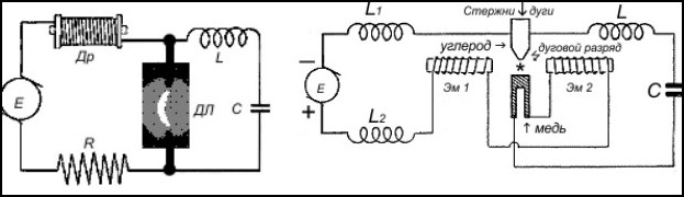
Так, так Ага, вот! Самохин, статья "На заре радиокоммуникаций" про доламповую радиотехнику. Тут есть, короче, про электродуговые генераторы Дудделя с возможностью регулировать частоту незатухающего сигнала за счёт регулирования характеристик элементов колебательного контура катушки и конденсатора. И ещё про усовершенствованный дуговой генератор Паульсена на дуговой лампе суть в том, что в некоторых газовых средах частота сигнала дуги резко повышается, и лампа тут просто ради колбы, которая эту среду поддерживает. Радиопередатчики на таких генераторах были в принципе ещё морзяночными, но были и более-менее успешные эксперименты со звуковой модуляцией сигнала, так что в принципе для радиотелефона подходит.

А из-за чего они тогда в голосовом радиовещании не прижились? насторожился я, По идее, за них должны были тогда ухватиться обеими руками.

Там дуга была нестабильной из-за перегорания электродов. Если даже и не гасла совсем, то пульсировала, и это, естественно, сказывалось и на несущем сигнале частота "гуляла", и качество голосовой связи сам понимаешь. Ну и пропадала совсем как раз когда у нас в девятнадцатом году с этим экспериментировали, так конфуз вышел. Тут про

это тоже есть ага, вот оно эксперимент Острякова. Из Нижнего, короче, в Москву ровно в 1000 сообщение голосовое передавалось, так связь наладилась только через две минуты, в 1002, когда там в эфир уже не официозный текст бубнили, а крыли в три этажа. Как раз на основании этого конфуза и решили отказаться от принципа дуги для нормальной голосовой радиосвязи. А в простом морзяночном режиме дугу продолжали успешно применять вплоть до широкого внедрения ламповой аппаратуры.

Да хрен ли мне этот морзяночный режим! Мне радиотелефон нормальный нужен, а не эта пипикалка!

Ну, был ещё электромеханический генератор Александерсона

А там в чём суть?

Да принципиально-то обыкновенный генератор переменного тока вроде нашего, только высокочастотный 50 килогерц в тысячу раз выше частота.

Мыылять! взвыл я, Альтернатива называется! Так что ты там про причины хреновой работы дуговых аппаратов говорил?

Да электроды ж эти грёбаные при работе перегорали. Они там либо угольные применялись, либо угольный и медный, ну и горели, сволочи. Ресурс электродуговой лампы на угольных электродах составлял часы, в лучших случаях десятки часов. Так это просто хоть какого-то горения дуги, когда она не гаснет, о стабильности и речи нет

Тогда, получается, в звизду угольные электроды. Какие лучше? Вольфрам?

В лампах накаливания вольфрамовая нить быстро окисляется, если в колбу попадает кислород воздуха. Лучше, конечно, чем уголь с медью, особенно если создать для дуги бескислородную среду, но раз полная герметичность для нас малореальна, то я бы предложил платину. Она тоже довольно тугоплавкая, и на воздухе в качестве тела накаливания служит гораздо лучше вольфрама. Думаю, что и для дуговых электродов лучше окажется

Ваша оценка очень важна

0
Шрифт
Фон

Помогите Вашим друзьям узнать о библиотеке