Виктор Николаевич Сарафанников - Фасонные стрижки для...деревьев и кустарников. Решающее "сражение" битвы за урожай... стр 16.

Шрифт
Фон

Воздух подается с помощью пылесоса в нижнюю, не предназначенную для хранения овощей часть хранилища, расположенную между полом лоджии (балкона) и нижней полкой, расстояние между которыми 5-10 см (рис. 4).

Рис. 4. Схема обеспечения микроклимата в овощехранилище

Для этой цели в нижнюю часть овощехранилища вмонтирован отрезок металлической трубки из комплекта пылесоса. В обычное время эта трубка заткнута пенопластовой пробкой. Основные параметры закачиваемого воздуха можно легко менять, помещая заборный шланг или в теплое, жилое помещение, или в саму лоджию, или качать прямо с улицы, в зависимости от температуры. Наличие небольшого свободного пространства в нижней части овощехранилища позволяет создать режим оптимальной подачи воздуха: малыми порциями в его наиболее охлаждаемую зону, в которой установлен термодатчик, или в серединную область при общем проветривании овощехранилища со всем его содержимым. Для этого используются простейшие заслонки дефлекторы, изготовленные из отрезков тонкой фанеры или листового пластика. Напор воздуха, поступающего от пылесоса, регулируется при помощи имеющихся в нем устройств. Вместо пылесоса можно приспособить вентилятор, как самодельный, так и промышленного изготовления небольшой мощности. Специальных отверстий для выхода воздуха из овощехранилища не предусмотрено, так как вполне достаточно тех малых щелей, которые всегда имеются в любой разборной конструкции.

Практически эта процедура проводится один, от силы два раза за все время хранения. При мягких зимах достаточно ограничиться эпизодическим контролем температуры внутри хранилища. Дистанционный контроль температуры осуществляется с помощью электронного термометра. Датчик температуры электронного термометра в этом случае устанавливается в наиболее охлаждаемой части хранилища, а индикатор (дисплей) в любом удобном для съема показаний месте. У меня простой самодельный аналоговый электронный термометр, но вполне можно использовать и промышленного изготовления, имеющий подходящие пределы измерения и необходимую длину соединительного кабеля между термодатчиком и индикаторной частью.

Дополнительные мероприятия

воздуха только улучшит условия хранения.

Используемый принцип обеспечения микроклимата позволяет подключать в контур закачки воздуха различного рода камеры и проводить различные эксперименты, направленные на улучшение условий хранения. Так, например, американские фермеры успешно используют для этих целей такие экологически безопасные химические вещества, как малеиновый гидразит и CIPC изопрапил, которые не дают клубням прорастать. Совместное распыление CIPCa, тиабендазола и хлора позволяет уменьшить поражение клубней гнилью фузариум. Имеются сообщения о хороших результатах, полученных отечественными картофелеводами при испытаниях фумиганта ВИСТ, в пропорции:

1 г препарата на 100 кг картофеля.

А вот апробировать антибактериальный эффект ионизированного воздуха, который нашел свое применение в известных люстрах Чижевского, или потока озонированного воздуха вполне перспективно. Подробно об этом написано в журнале «Сделай сам». 1999. 4.

Для реализации этого положительного эффекта при данной технологии хранения картофеля достаточно подаваемый в овощехранилище воздух пропускать через ионизационную камеру. По своей конструкции она аналогична охлаждающей камере, только в стенки пластмассовой канистры запрессованы электроды-разрядники. Источником высокого напряжения, подаваемого на электроды-разрядники, могут быть аэроионизаторы, выпускаемые промышленностью, или самодельные устройства, например, выполненные по схеме ионизатора «Рязань» (рис. 5). В схеме используется вполне доступная элементная база. Выходное напряжение до 4 кВ.

Рис. 5. Ионизатор «Рязань»:

Д1-Д32 диоды типа Д226Г; R1 резистор МЛТ-0,51 МОМ; С1-С16 конденсаторы типа КСО 0,01 мкФ, Л1 неоновая лампа ИН-3; R2, R3 резисторы типа КЭВ-0,51,1 ГОм

В качестве источника более высокого напряжения (2530 кВ) можно использовать схему и детали от высоковольтного блока питания цветного телевизора. Автолюбителям возможно более доступна для реализации схема с использованием высоковольтной катушки системы зажигания. Выбор за вами! Первую схему можно легко найти в любом справочнике по телевизорам. Вторая схема менее известна. Она разработана в клубе юных техников «Заря» города Ижевска (рис. 6).

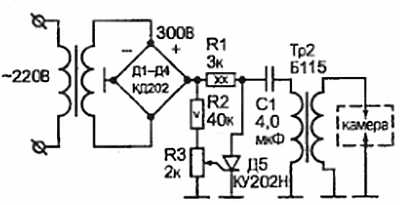
Рис. 6. Ионизатор на базе автомобильной катушки зажигания:

Тр1 трансформатор 50100 Вт; Тр2 автомобильная катушка зажигания; Д1-Д4 диодный мостик на 300 В; Д5 тиристор КУ202Н; R1 резистор 3к, мощностью 20 Вт; R2 резистор 40к, мощностью 5 Вт; R3 потенциометр 2к; С2 неполярный конденсатор 40 мкФ на 600 В

Трансформатор Тр1 мощностью 50-100 Вт. На его первичную обмотку поступает переменное напряжение 220В, а с выходной обмотки напряжение около 300В поступает на двухполупериодный выпрямитель (Д1-Д4). С выпрямителя пульсирующее напряжение через балластное сопротивление R1 мощностью 20 Вт и номиналом 3к поступает на неполярный (неэлектролитический!) конденсатор С1 емкостью 4 мкФ. С повышением напряжения на обкладках конденсатора одновременно увеличивается напряжение на управляющем электроде диода Д5 (тиристор КУ 202Н). Тиристор работает без радиатора. При достижении напряжения около 250В тиристор открывается. Происходит быстрый разряд конденсатора через первичную обмотку автомобильной катушки зажигания (Тр2). Корпус катушки зажигания (например, Б-115, или любая другая на 12В) соединяют с «землей», а высокое напряжение подается на разрядник ионизационной камеры. Потенциометром R3 номиналом 2к добиваются ровного горения высоковольтной искры. Резистор R2 мощностью 5Вт и номиналом 40к ограничительный. Электроды разрядника можно изготовить из проволоки диаметром 1 мм. Длина искрового промежутка около 10 мм.

Ваша оценка очень важна

0
Шрифт
Фон

Помогите Вашим друзьям узнать о библиотеке