Aliyev Ibratjon Xatamovich - All sciences. №1, 2023. International Scientific Journal стр 6.

Книгу можно купить на ЛитРес.
Всего за 5.99 руб. Купить полную версию
Шрифт
Фон

Today, geothermal energy is actively developing in Uzbekistan. On the territory of Uzbekistan, forecast geothermal resources at accessible depths (up to 5-6 km) are 4-6 times higher than hydrocarbon resources. The main consumers of geothermal resources in the near and long term in Uzbekistan will undoubtedly be heat supply and, to a much lesser extent, electricity generation.

By absolute value, of all types of renewable energy, the subsoil of Uzbekistan has the greatest integral energy potential in the form of heat from dry rocks (petrothermal resources) and large basins with hydrothermal waters.

Geothermal waters are available in all regions of Uzbekistan. Long-term surveys have allowed to identify 8 large basins with hydrothermal resources on its territory. The gross potential of geothermal waters is estimated at 171 thousand tons. However, the technical potential of geothermal sources has not yet been determined. The Fergana Valley and Bukhara Viloyat have the greatest potential of geothermal waters. The average temperature of geothermal waters in the republic is 45.5 °C, the warmest waters are in Bukhara (56 °C) and Syrdarya (50 °C) viloyats. It should be noted that the practical realization of the energy of geothermal waters is associated with the development of appropriate environmental measures due to their chemical composition. Petrothermal energy resources in the form of dry rocks with temperatures from 45 to 300 °C have also been identified in the country. The realization of the potential of petrothermal energy (heat of dry rocks, granitoids) can be carried out using power plants on low-boiling working bodies with a block capacity of 40 MW on the basis of the Chust-Adrasman petrothermal anomaly in the Fergana Valley [1].

The main advantage of geothermal energy is its practical inexhaustibility and complete independence from environmental conditions, time of day and year [2-3]. Geothermal energy owes its "design" to the red-hot central core of the Earth, with a huge supply of thermal energy. Only in the upper three-kilometer layer of the Earth is stored the amount of thermal energy equivalent to the energy of about 300 billion tons of coal [4].

Figure 1 shows a diagram of the use of geothermal resources.


Fig.1. Diagram of the use of geothermal resources


Geothermal energy is widely and successfully used in various sectors of the national economy. There are very broad prospects for expanding the scope of its application:

 heat supply (heating and hot water supply) of civil and industrial buildings and structures;

 heat supply of agricultural facilities (greenhouses and greenhouses of both yearround and seasonal duration, fish-breeding ponds, poultry farms, etc.);

 satisfaction of technological processes of industrial enterprises in heat (drying of wood for furniture production, fermentation of tea leaves, etc.);

 satisfaction of the communal needs of the population (baths, swimming pools, laundries, etc.);

 balneological purposes; electricity generation.

Geothermal resources have several components: they can be considered simultaneously as a source of electrical and thermal energy and as a source of valuable chemical compounds: amorphous silica, B, Li, Zn, Mn, HS, NaCl, geothermal gases H2S, CO2.

Data on the chemical composition of geothermal resources show the presence of geothermal gases (H2S, CO2) in them [4], the control of the concentration of which greatly facilitates their development and the search for new sources of mineral raw materials.

As is known, there are intense absorption lines of geothermal CO2 gases in the range of 1.74.8 microns. The development of optoelectronics and its element base, the creation of new highly efficient semiconductor radiation sources create prerequisites for the development of highly sensitive and accurate, reliable devices for monitoring the concentration of geothermal gases (H2S, CO2).

In this paper, a device for monitoring the concentration of geothermal gases is proposed.

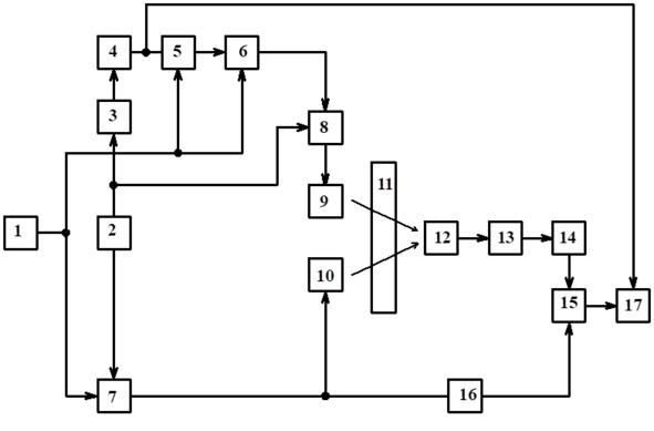
The block diagram of an optoelectronic device for monitoring the concentration of geothermal gases is shown in Fig.1, and its time diagrams are shown in Fig.2.

The device for monitoring geothermal gases contains a power source 1, a rectangular pulse generator with two antiphase outputs 2, to one output of which a frequency divider 3 (serial counter) is connected, the output of which is connected via a single-vibrator 4 to the control input of the exponent modulator 5, an emitter repeater 6, two electronic keys 7 and 8, emitting diodes working 9 and the reference 10, emitting at the reference and working wavelengths, respectively, a gas chamber 11, a photodetector 12 connected to the first differentiating device 13, the output of which is through the threshold input of the coincidence circuit 15, the first input of which is connected to the output of the second differentiating device 16, the input of which is connected to the emitting diode 10, the counter 17, the counting input of which is connected to the output of the coincidence circuit 15, and its input "zero setting" is connected to the output of the single-vibrator 4.

The gas chamber 11 is irradiated with two radiation streams F0l1 and F0l2 at the reference l1 and working l2 wavelengths, respectively. The radiation fluxes that have passed through the gas chamber will be equal, respectively:


(1)


where: F0l1 and F0l1 are radiation fluxes feeding to the gas chamber at wavelengths l1 and l1, respectively, Fl1, Fl2 are radiation fluxes after passing through after passing through the gas chamber at wavelengths l1 and l2, respectively,

N1 concentration of a mixture of gaseous substances,

L is the length of the optical path, i.e. the length of the gas chamber,

N2 is the concentration of the gaseous substance to be determined,

K1 is the scattering coefficient of a mixture of gaseous substances,

K2 is the absorption coefficient of the determined gaseous substances.

The flow of F0l1 changes in time (t) according to the exponential law


(2)


where A is a constant coefficient corresponding to the initial value of the exponential pulse amplitude.

At the moment of equality of flows Al1 and Al2


(3)


(4)


where tc is the time corresponding to the moment of comparison,

t is the time constant of the exponent.

The generator of 2 rectangular pulses generates pulses with the required repetition rate. These pulses from the antiphase outputs go to the input of the frequency divider 3 and to the control inputs of the keys 7 and 8. Rectangular pulses from the output of the frequency divider 3 (Fig.2.a) go to the input of one vibrator 4.

Rectangular pulses with the required duration from the output of one exponent vibrator 5, the output of which is connected via an emitter repeater 6 to the output of an electronic key 8, where a discrete exponential current pulse is formed, which flows through the emitting diode 9, causes a flux emitting according to the same law. The electronic key 7 switches counterphase to the pulses filling the exponent. The current pulse flowing through the emitting diode 10 causes a luminous flux, the amplitude of which is constant. The flows passing through the gas chamber are perceived by the photodetector 12.


Fig.2. Block diagram of the device


Fig.3. Time diagrams explaining the operation of the device.


(Fig.2.c) shows a time diagram of the total photoelectric signal at the output of the photodetector 12. This signal is fed to the input of the first differentiating device 13, from the output of which the differentiated photoelectric signal (Fig.2.d) enters the input of the threshold device 14.

Ваша оценка очень важна

0
Шрифт
Фон

Помогите Вашим друзьям узнать о библиотеке

Скачать книгу

Если нет возможности читать онлайн, скачайте книгу файлом для электронной книжки и читайте офлайн.

fb2.zip txt txt.zip rtf.zip a4.pdf a6.pdf mobi.prc epub ios.epub fb3